GM Service Manual Online
For 1990-2009 cars only
Makes
🢒
Chevrolet
🢒
2001
🢒
Prizm
🢒 ABS Indicator Control, ABS Warning Indicator, and BPMV
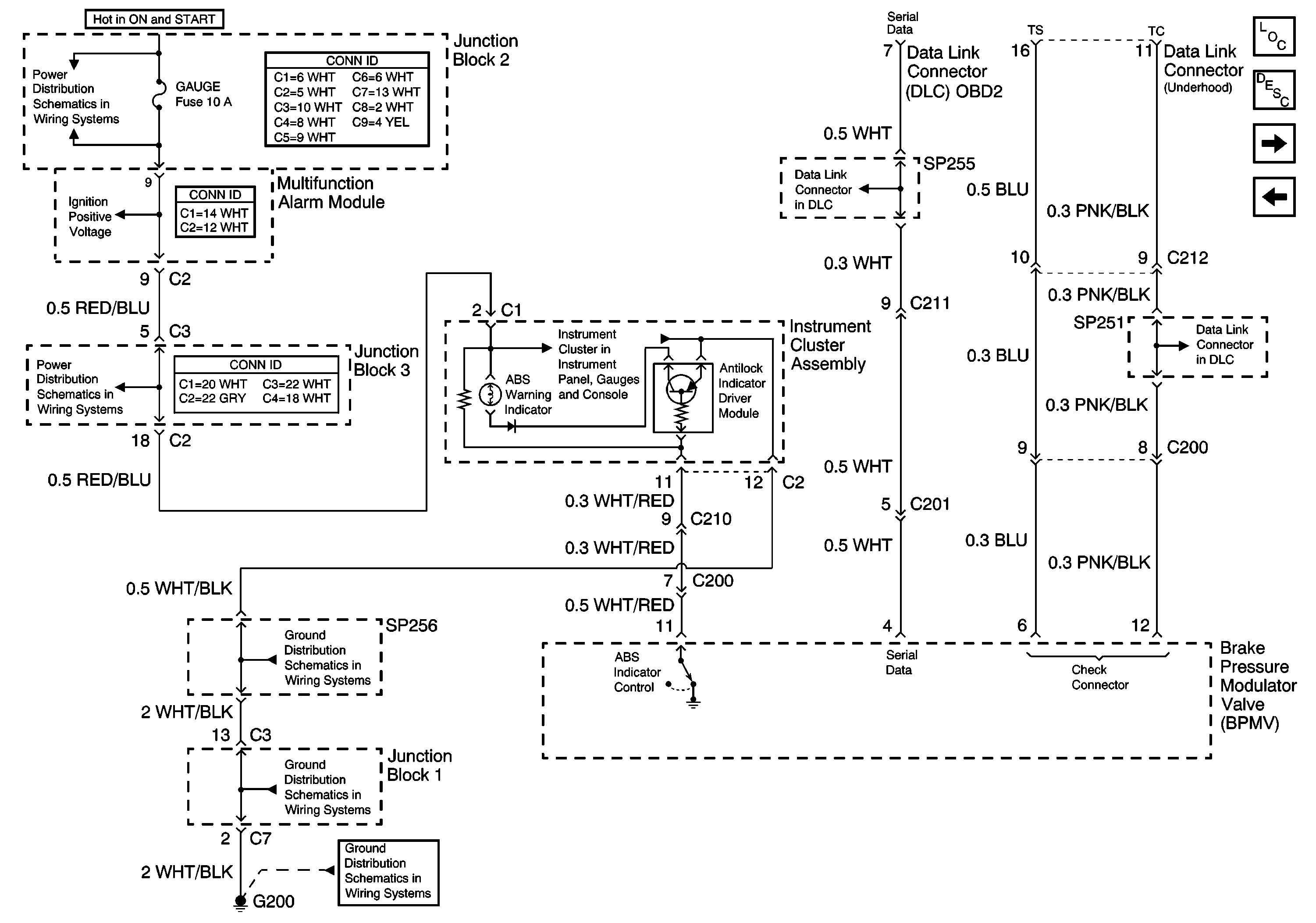
ABS Indicator Control, ABS Warning Indicator, and BPMV
ABS Indicator Control, ABS Warning Indicator, and BPMV
Master Electrical Component List
ABS Description and Operation
Wheel Speed Sensors
ABS Pump Motor, BPMV, Solenoid Valves, and Stoplamp Switch
Data Link Connector (DLC) Underhood
Data Link Connector (DLC) OBD2
Instrument Cluster Assembly
G200, G203, SP250, and SP650
G204, Junction Block 1, and SP256
G204, Junction Block 1, and SP256
Gauge Fuse
Gauge Fuse
ECU-IG, TURN, and WIP Fuse