GM Service Manual Online
For 1990-2009 cars only
Makes
🢒
Chevrolet
🢒
2001
🢒
Prizm
🢒 Rear Defogger
Rear Defogger
Master Electrical Component List
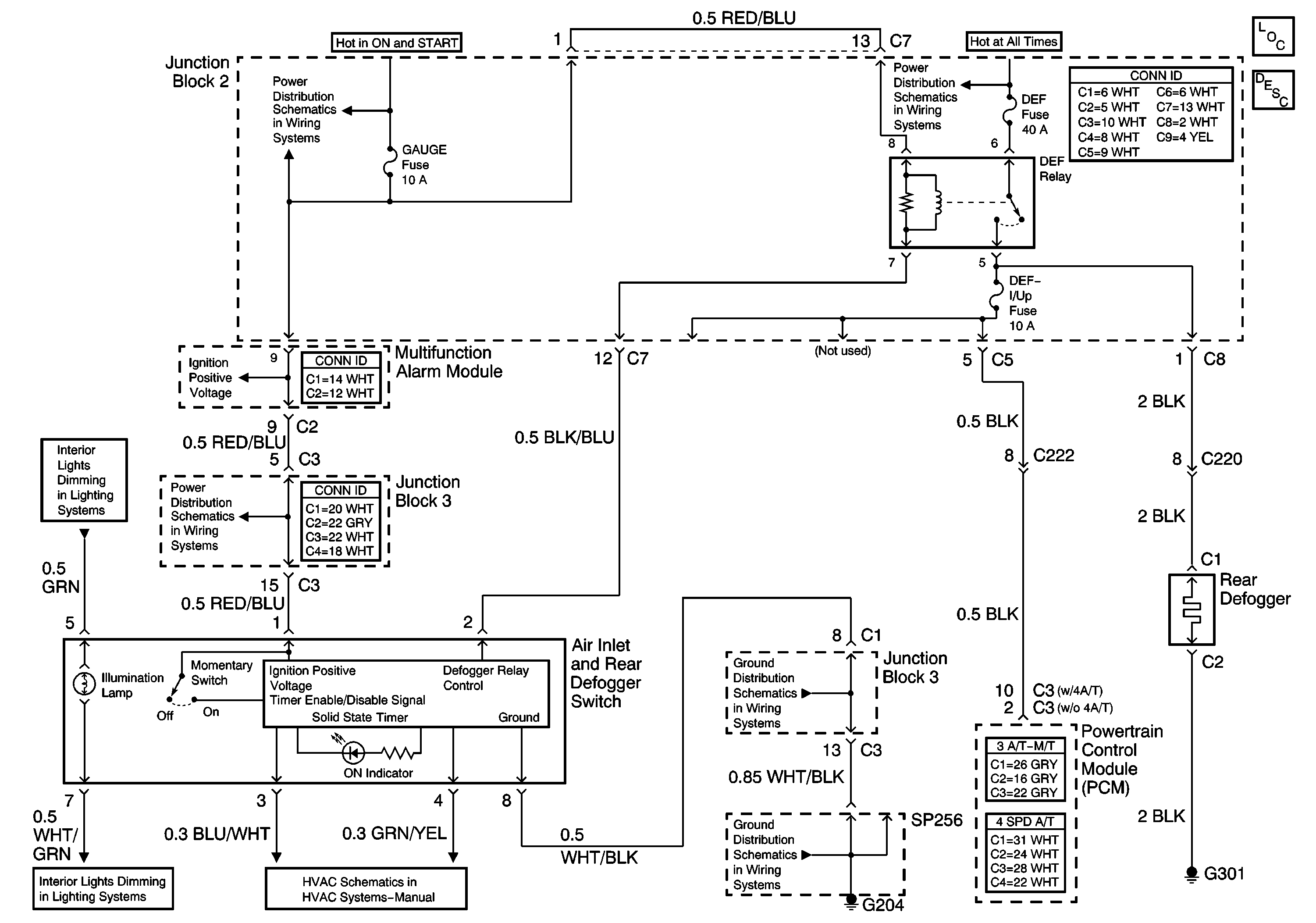
Rear Window Defogger Description and Operation
ABS, ALT, AMI, DEF, DYL, ECU-B, HTR, OBD, POWER and STOP Fuses
G204, Junction Block 1, and SP256
Junction Block 3
Gauge Fuse
Gauge Fuse
Gauge Fuse
A/T Control Lever Illumination Lamp
A/T Control Lever Illumination Lamp