GM Service Manual Online
For 1990-2009 cars only
Makes
🢒
Chevrolet
🢒
2001
🢒
Prizm
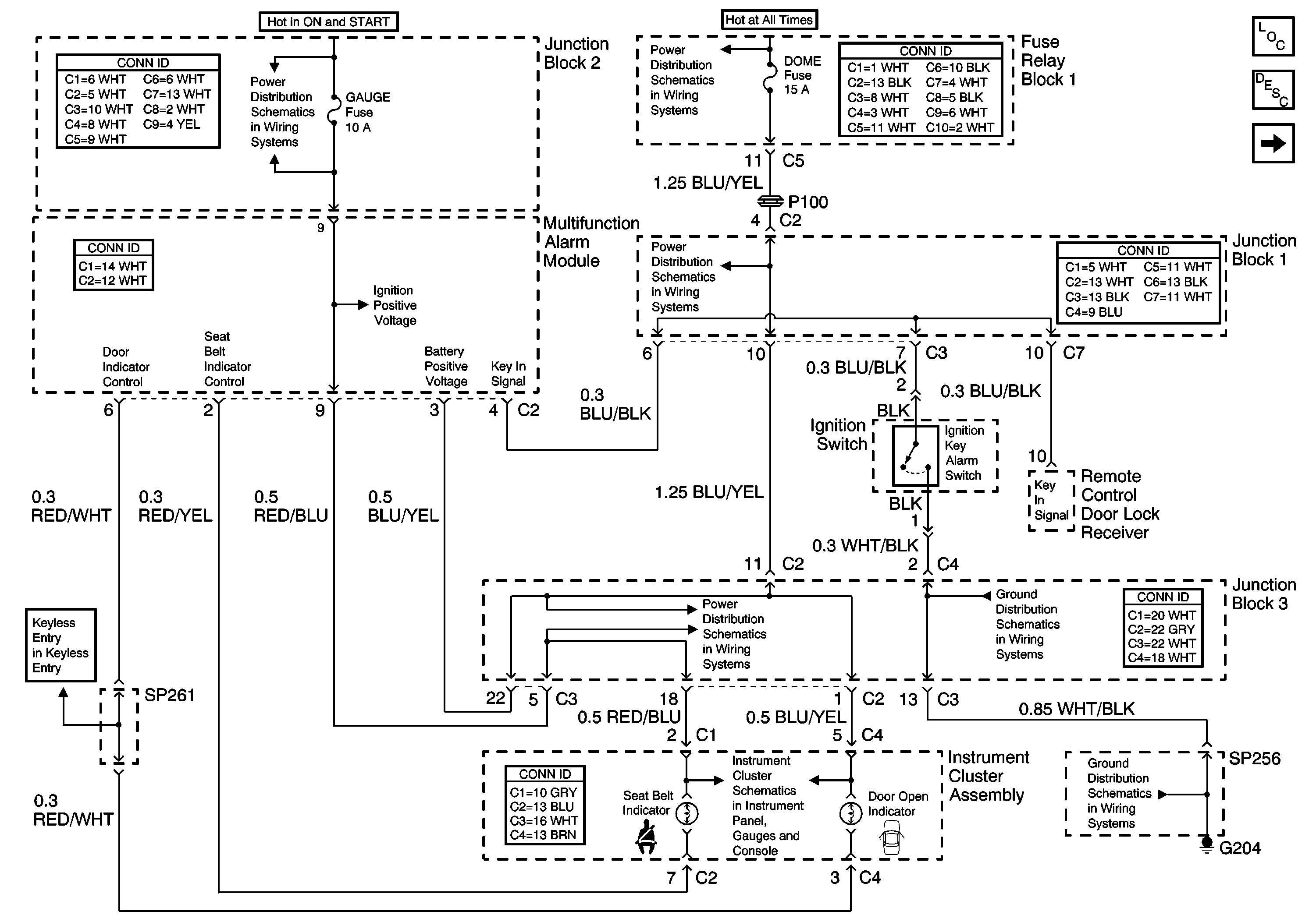
🢒 Ignition Switch, Remote Control Door Lock Receiver
Ignition Switch, Remote Control Door Lock Receiver
Ignition Switch, Remote Control Door Lock Receiver
Master Electrical Component List
Audible Warnings Description and Operation
DRL and Door Jamb Switch
Junction Block 3
G204, Junction Block 1, and SP256
ALT-S, AM2, DOME, EFI, Hazard, Horn, and Main Fuses
ALT-S, AM2, DOME, EFI, Hazard, Horn, and Main Fuses
ALT-S, AM2, DOME, EFI, Hazard, Horn, and Main Fuses
Gauge Fuse
Gauge Fuse
Door Lock Actuators and SP253
Instrument Cluster Assembly