GM Service Manual Online
For 1990-2009 cars only
Makes
🢒
Chevrolet
🢒
2001
🢒
Prizm
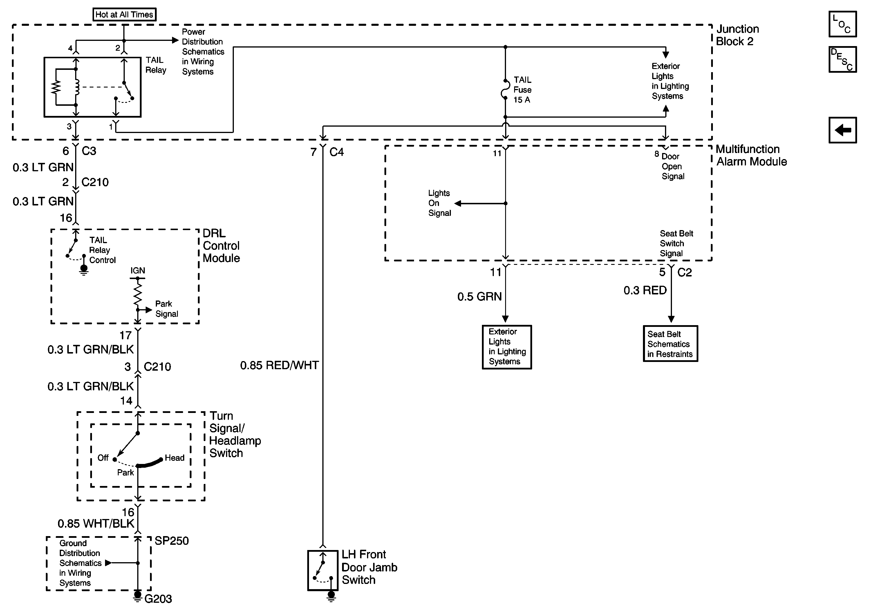
🢒 DRL and Door Jamb Switch
DRL and Door Jamb Switch
DRL and Door Jamb Switch
Master Electrical Component List
Audible Warnings Description and Operation
Ignition Switch, Remote Control Door Lock Receiver
Seat Belts
LH Rear Combination Lamp and Right Front Park/Turn Lamp
ABS, ALT, AMI, DEF, DYL, ECU-B, HTR, OBD, POWER and STOP Fuses
G200, G203, SP250, and SP650
LH Rear Combination Lamp and Right Front Park/Turn Lamp