GM Service Manual Online
For 1990-2009 cars only
Makes
🢒
Chevrolet
🢒
2001
🢒
Prizm
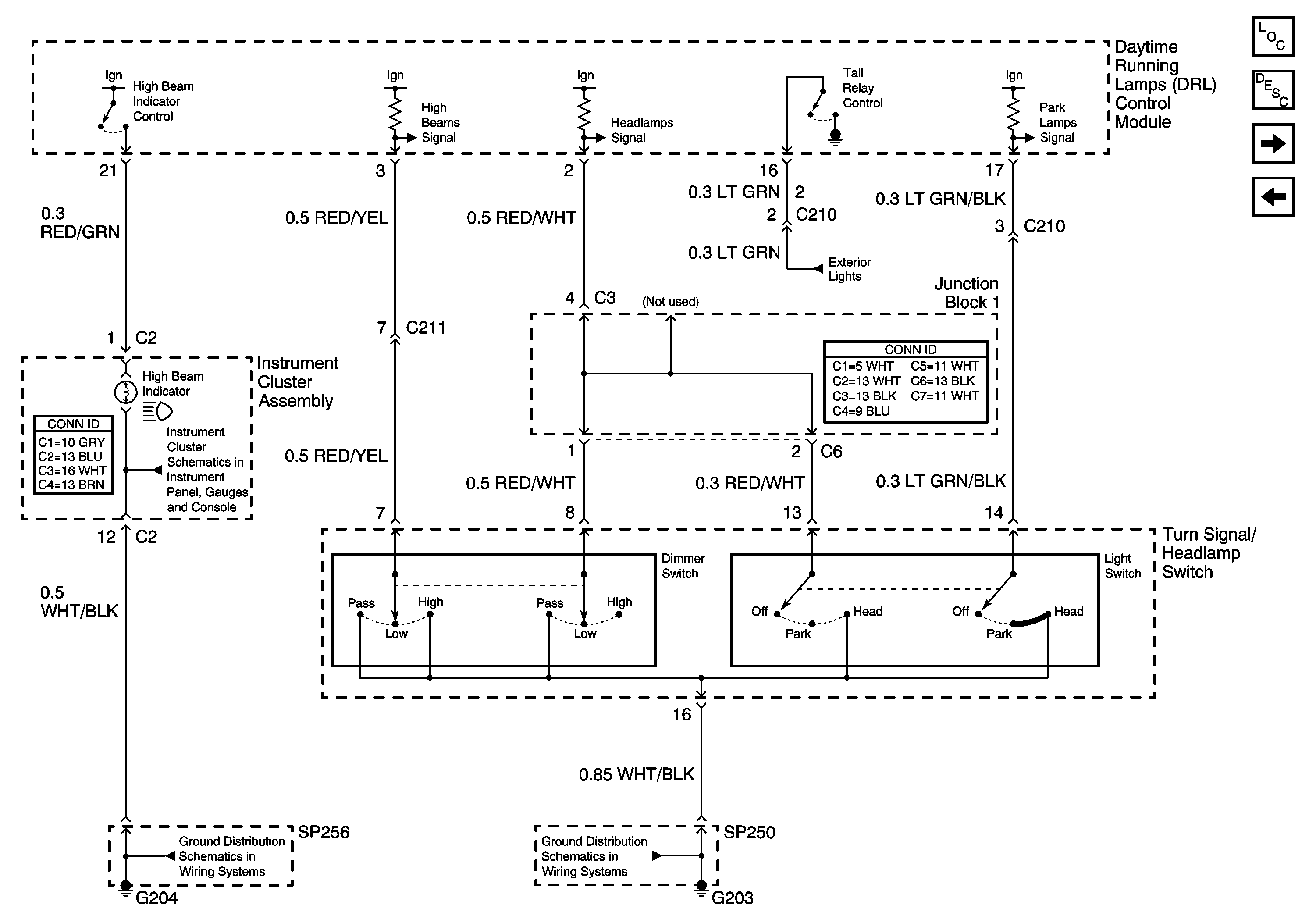
🢒 Turn Signal/Headlamp Switch
Turn Signal/Headlamp Switch
Turn Signal/Headlamp Switch
Master Electrical Component List
Exterior Lighting Systems Description and Operation
LH Headlamp and RH Headlamp
DRL Control Module and Ambient Light Sensor
G200, G203, SP250, and SP650
Instrument Cluster Assembly
Instrument Cluster Assembly