GM Service Manual Online
For 1990-2009 cars only
Makes
🢒
Chevrolet
🢒
2001
🢒
Prizm
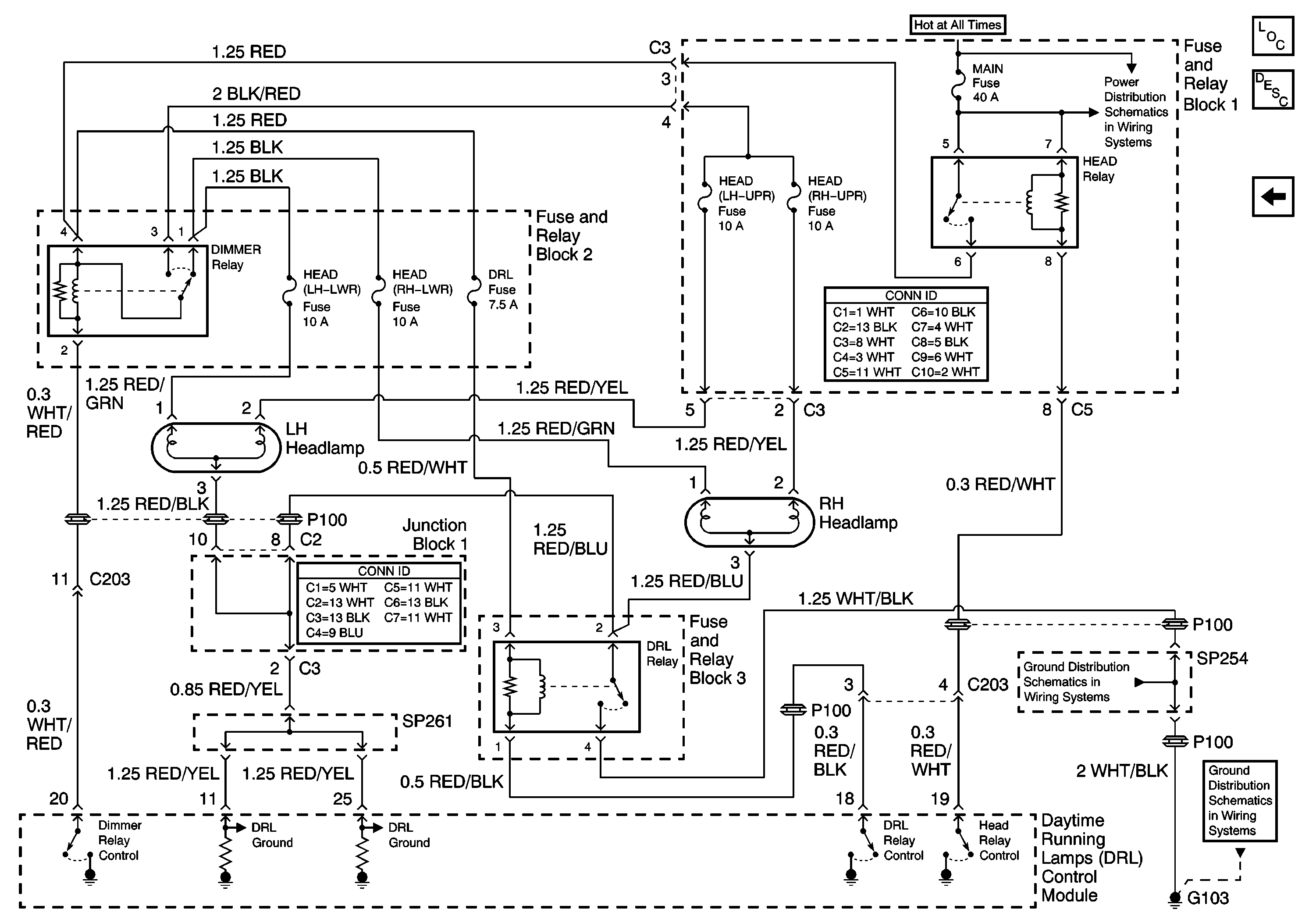
🢒 LH Headlamp and RH Headlamp
LH Headlamp and RH Headlamp
LH Headlamp and RH Headlamp
Master Electrical Component List
Exterior Lighting Systems Description and Operation
Turn Signal/Headlamp Switch
ALT-S, AM2, DOME, EFI, Hazard, Horn, and Main Fuses
G100, G101, G102, G103, and G104
G100, G101, G102, G103, and G104