GM Service Manual Online
For 1990-2009 cars only
Makes
🢒
Chevrolet
🢒
2001
🢒
Prizm
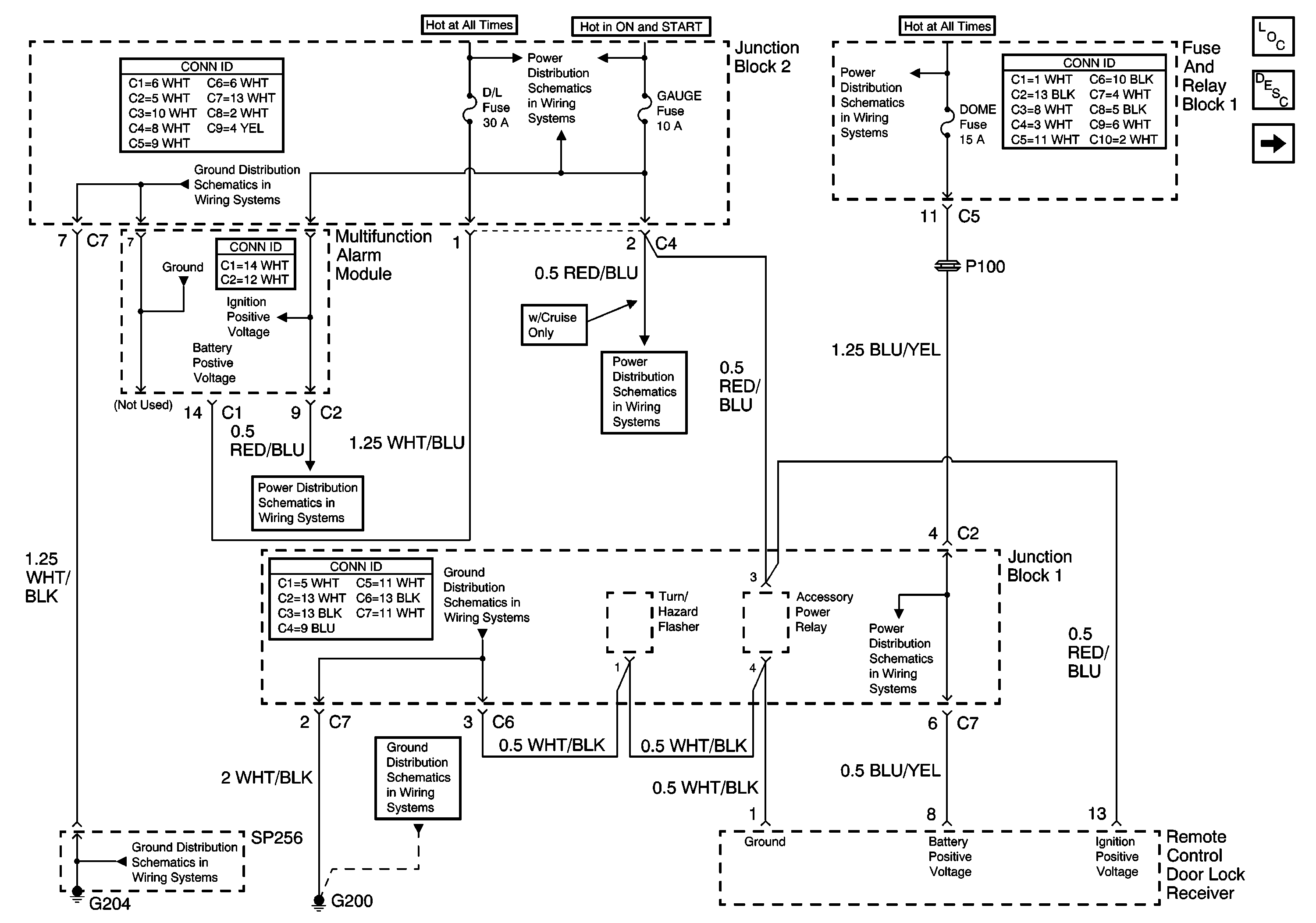
🢒 D/L Fuse, Gauge Fuse, and Remote Control Door Lock Receiver
D/L Fuse, Gauge Fuse, and Remote Control Door Lock Receiver
D/L Fuse, Gauge Fuse, and Remote Control Door Lock Receiver
Master Electrical Component List
Keyless Entry System Description and Operation
Ignition Key Alarm Switch and Tail Relay
ALT-S, AM2, DOME, EFI, Hazard, Horn, and Main Fuses
ALT-S, AM2, DOME, EFI, Hazard, Horn, and Main Fuses
Gauge Fuse
G204, Junction Block 1, and SP256
ECU-IG, TURN, and WIP Fuse
Gauge Fuse
Gauge Fuse
G204, Junction Block 1, and SP256
Junction Block 2