GM Service Manual Online
For 1990-2009 cars only
Makes
🢒
Chevrolet
🢒
2001
🢒
Prizm
🢒 Ignition Key Alarm Switch and Tail Relay
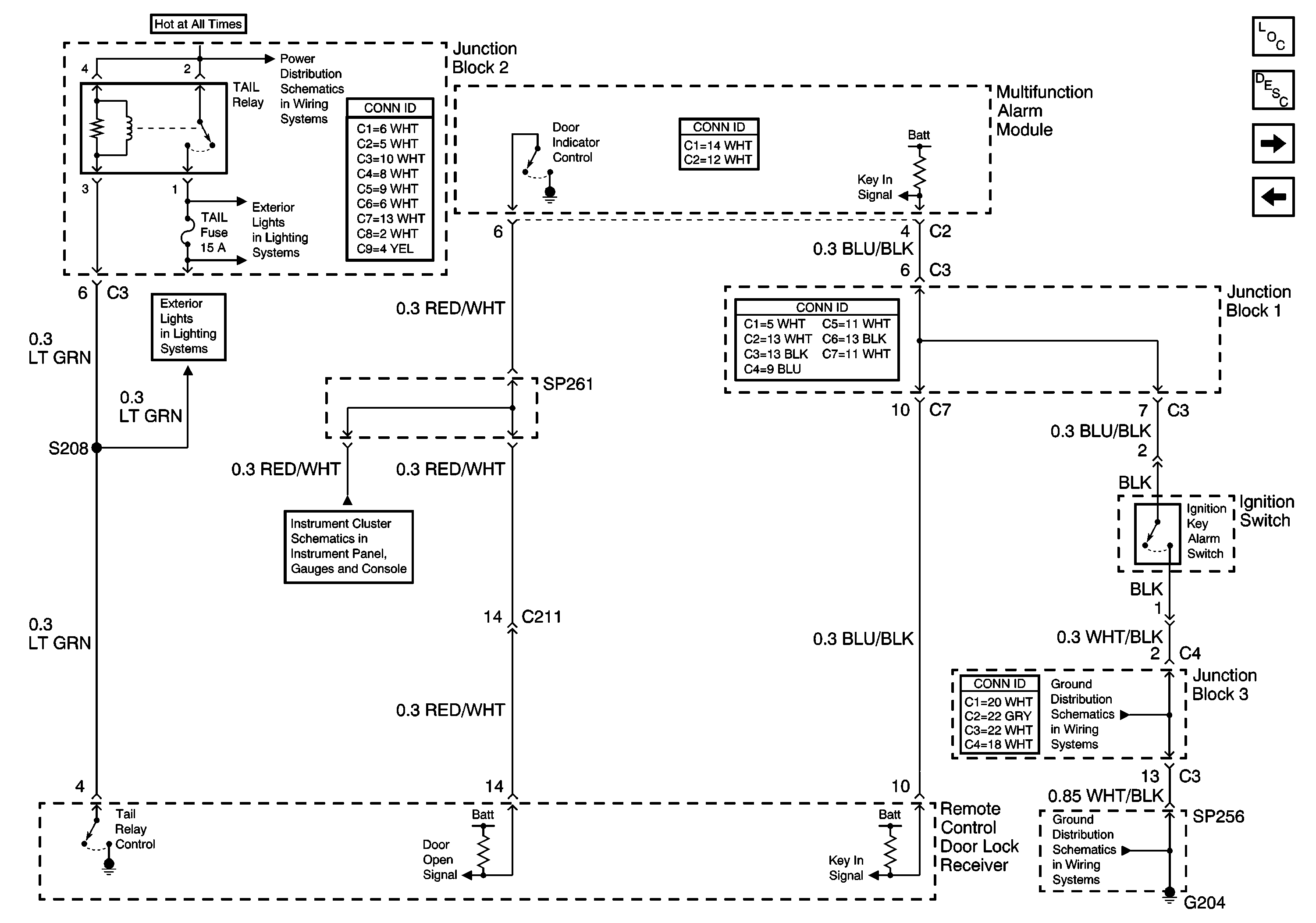
Ignition Key Alarm Switch and Tail Relay
Ignition Key Alarm Switch and Tail Relay
Master Electrical Component List
Keyless Entry System Description and Operation
Door Lock Switches and SP252
D/L Fuse, Gauge Fuse, and Remote Control Door Lock Receiver
G204, Junction Block 1, and SP256
Junction Block 3
Junction Block 1 and Junction Block 3
ABS, ALT, AMI, DEF, DYL, ECU-B, HTR, OBD, POWER and STOP Fuses
LH Rear Combination Lamp and Right Front Park/Turn Lamp