GM Service Manual Online
For 1990-2009 cars only
Makes
🢒
Chevrolet
🢒
1996
🢒
S10 Pickup - 2WD
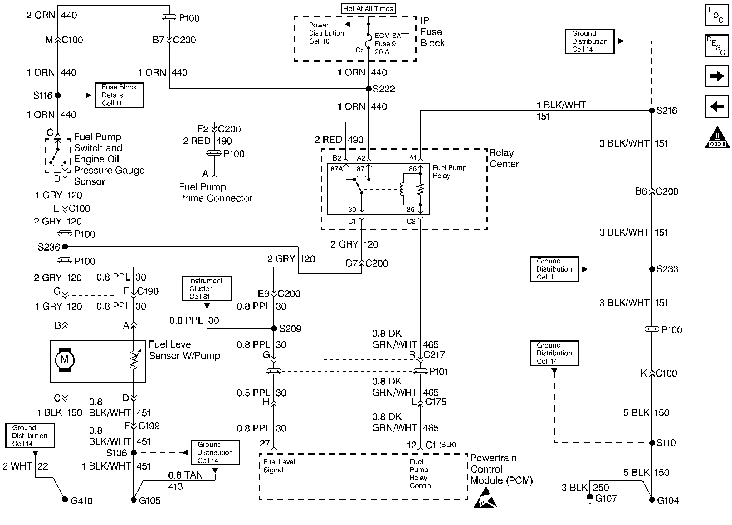
🢒 Fuel Pump Relay and Fuel Level Sensor
Fuel Pump Relay and Fuel Level Sensor
Fuel Pump Relay and Fuel Level Sensor
Handling ESD Sensitive Parts Notice
Engine Controls Components
Fuel System Overview
Fuel Injectors
Ignition System
OBD II Symbol Description Notice