GM Service Manual Online
For 1990-2009 cars only
Makes
🢒
Chevrolet
🢒
1996
🢒
S10 Pickup - 2WD
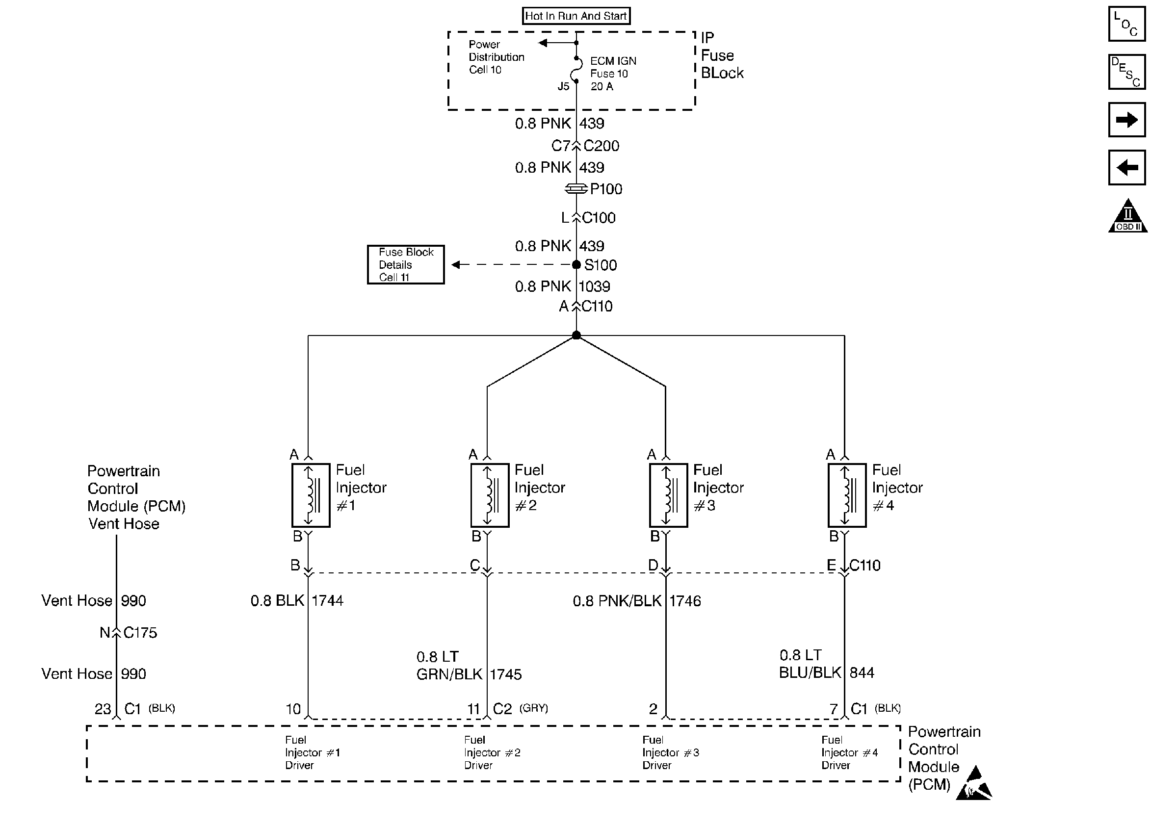
🢒 Fuel Injectors
Fuel Injectors
Fuel Injectors
Handling ESD Sensitive Parts Notice
Engine Controls Components
Fuel System SFI General Description
MAP, A/C, and Fuel Tank Pressure Sensors
Fuel Pump Relay and Fuel Level Sensor
OBD II Symbol Description Notice