GM Service Manual Online
For 1990-2009 cars only
Makes
🢒
Chevrolet
🢒
1997
🢒
S10 Pickup - 2WD
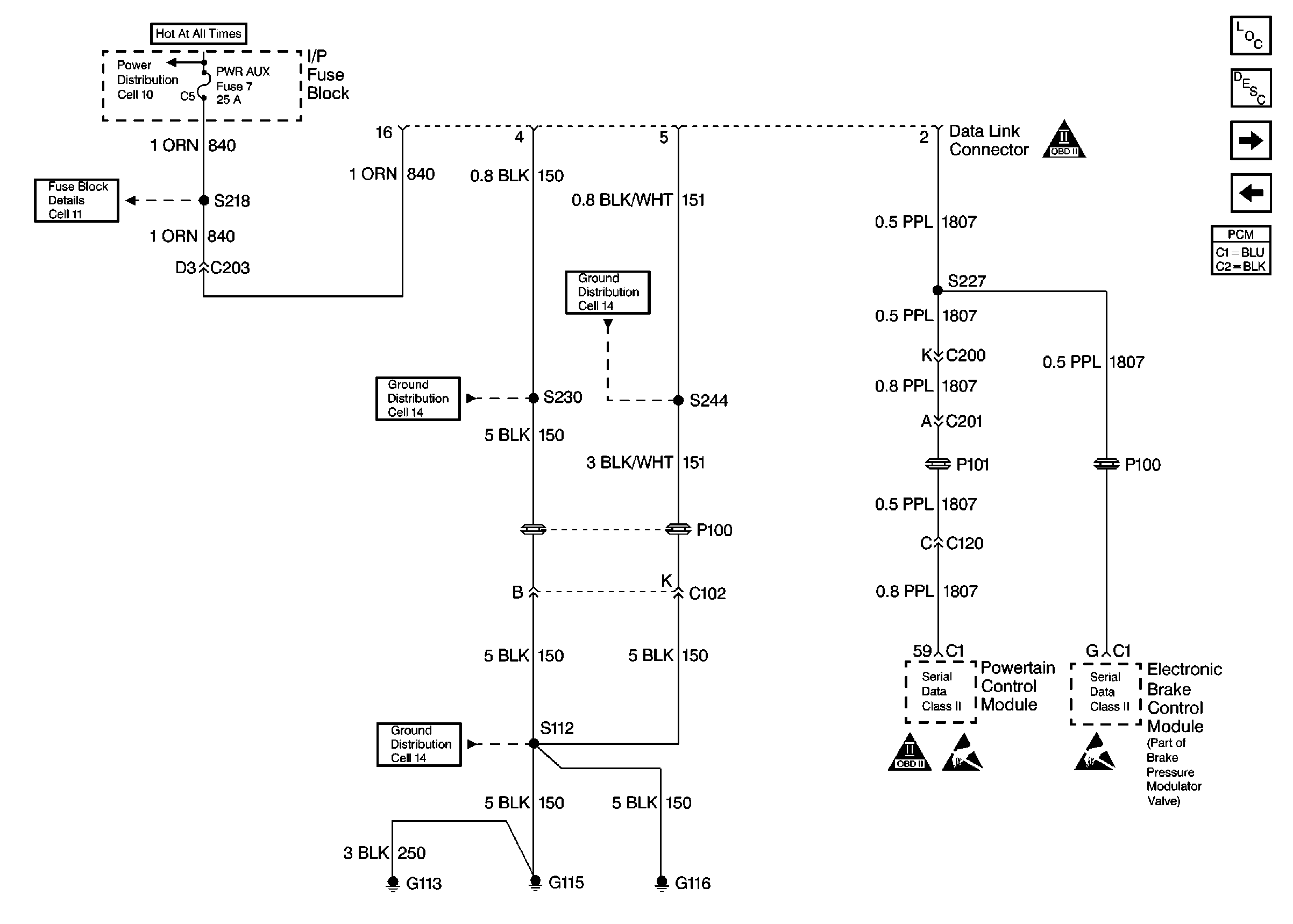
🢒 DLC
DLC
DLC
Engine Controls Components
Powertrain Control Module (PCM) Control Modules
Ignition Controls
Power, Ground, MIL
OBD II Symbol Description Notice
OBD II Symbol Description Notice
Handling Electrostatic Discharge Sensitive Parts Notice
Handling Electrostatic Discharge Sensitive Parts Notice