GM Service Manual Online
For 1990-2009 cars only
Makes
🢒
Chevrolet
🢒
1997
🢒
S10 Pickup - 2WD
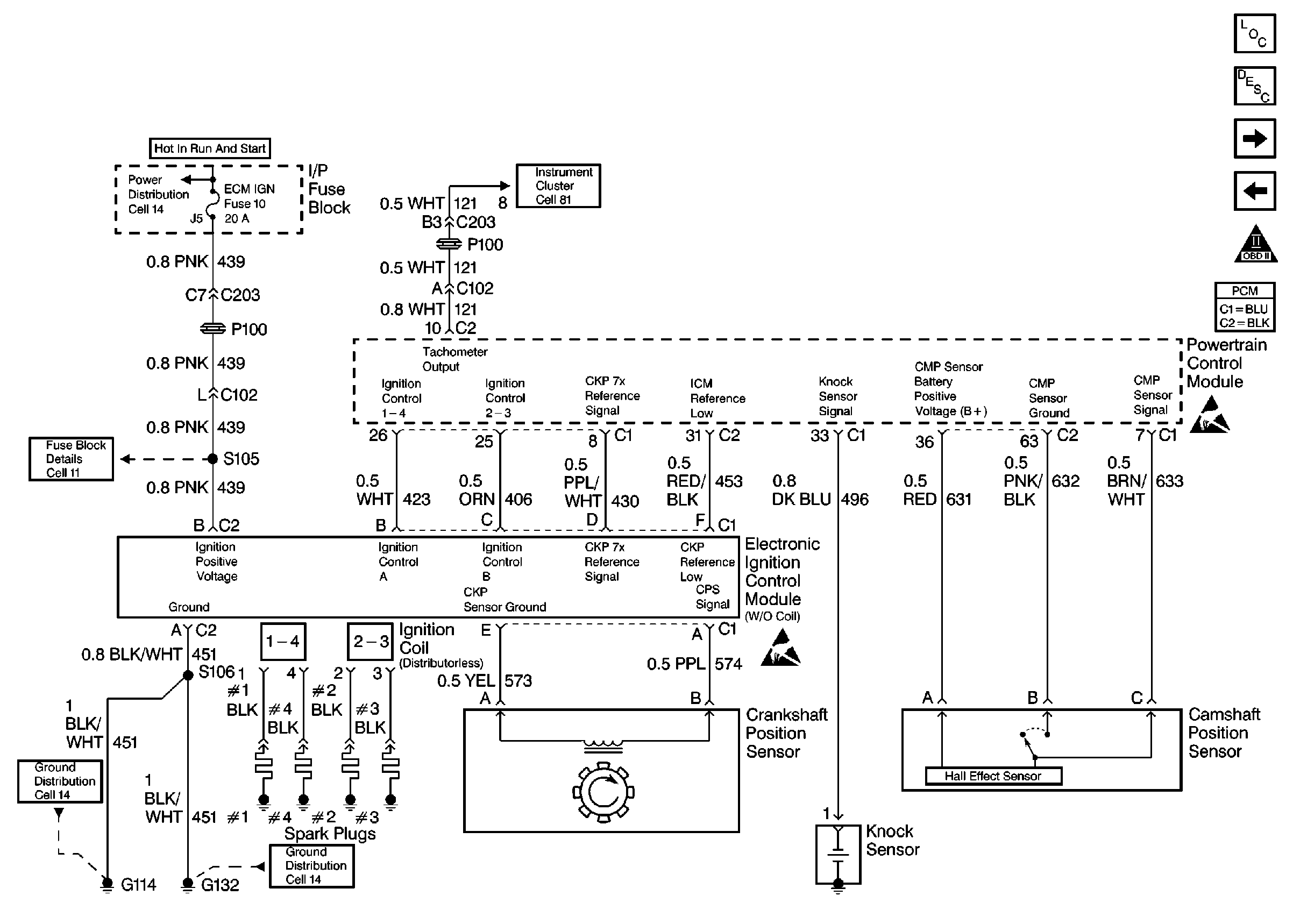
🢒 Ignition Controls
Ignition Controls
Ignition Controls
Engine Controls Components
Powertrain Control Module (PCM) Control Modules
Fuel Level Buffer
DLC
OBD II Symbol Description Notice
Handling Electrostatic Discharge Sensitive Parts Notice
Handling Electrostatic Discharge Sensitive Parts Notice