GM Service Manual Online
For 1990-2009 cars only
Makes
🢒
Chevrolet
🢒
1998
🢒
S10 Pickup - 2WD
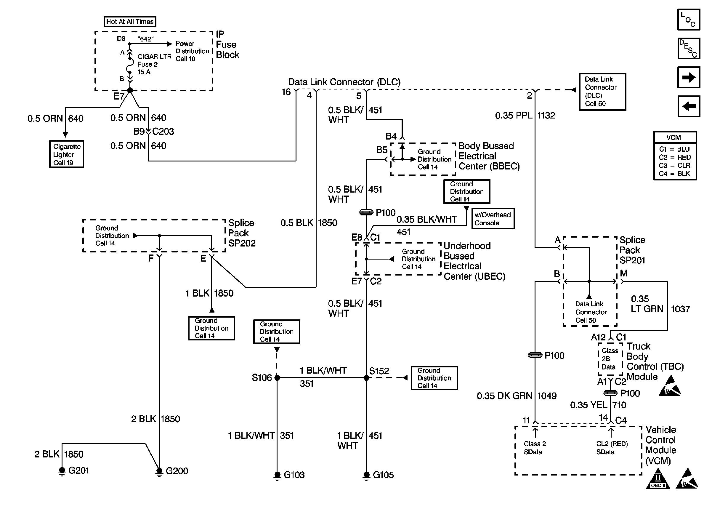
🢒 Data Link Connector
Data Link Connector
Data Link Connector
Engine Controls Components
Vehicle Control Module Description
Ignition Controls
Power Sheet 2: W/ Automatic 4WD
Handling Electrostatic Discharge Sensitive Parts Notice
OBD II Symbol Description Notice
Handling Electrostatic Discharge Sensitive Parts Notice