GM Service Manual Online
For 1990-2009 cars only
Makes
🢒
Chevrolet
🢒
1998
🢒
S10 Pickup - 2WD
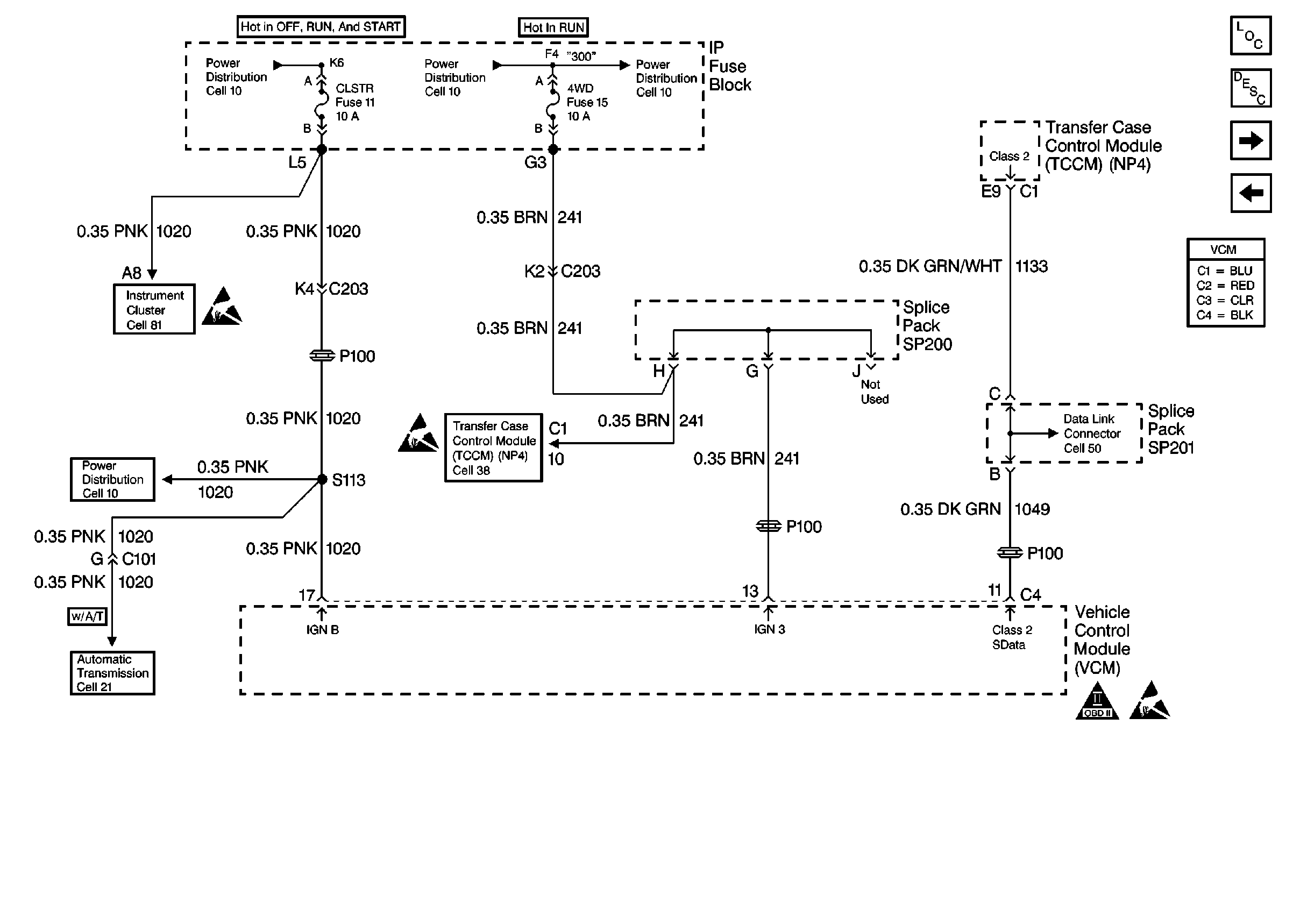
🢒 Power Sheet 2: W/ Automatic 4WD
Power Sheet 2: W/ Automatic 4WD
Power Sheet 2: W/ Automatic 4WD
Handling Electrostatic Discharge Sensitive Parts Notice
Automatic Transmission Valve Controls
Handling Electrostatic Discharge Sensitive Parts Notice
Cell 38: Power, Ground, Motor Controls and Data Link
OBD II Symbol Description Notice
Handling Electrostatic Discharge Sensitive Parts Notice
Engine Controls Components
Vehicle Control Module Description
Data Link Connector
Power Sheet 2: W/ Electric Shift 4WD