GM Service Manual Online
For 1990-2009 cars only
Makes
🢒
Chevrolet
🢒
1998
🢒
S10 Pickup - 2WD
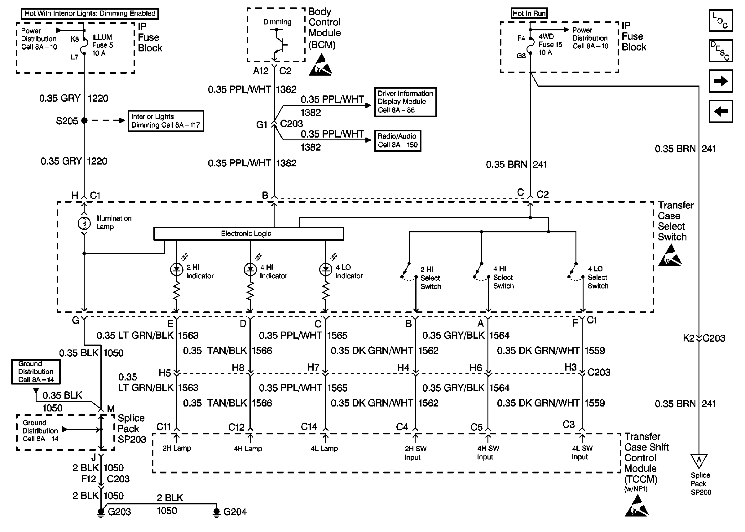
🢒 Electric Shift Control Switch
Electric Shift Control Switch
Electric Shift Control Switch
Handling Electrostatic Discharge Sensitive Parts Notice
Handling Electrostatic Discharge Sensitive Parts Notice
Handling Electrostatic Discharge Sensitive Parts Notice
Engine Electrical Components
Transfer Case Control Module Description
Electric Shift Front Axle Switch
Electric Shift Control Module And Encoder