GM Service Manual Online
For 1990-2009 cars only

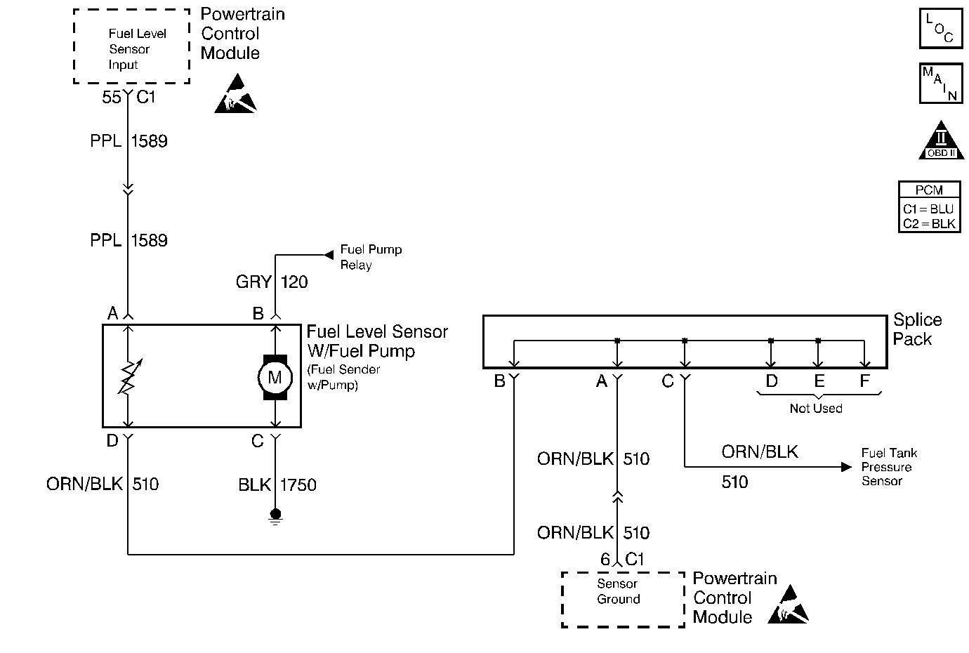
Object Number: 211172  Size: MF
Engine Controls Components
Fuel Level And Fuel Tank Pressure Sensors
OBD II Symbol Description Notice
Powertrain Control Module Connector End Views
Handling ESD Sensitive Parts Notice
Handling ESD Sensitive Parts Notice

Circuit Description

The powertrain control module (PCM) uses the fuel level input in order to calculate the expected vapor pressures within the fuel system. These vapor pressures vary as the fuel level changes. The vapor pressure is critical in determining if the Evaporative Emissions system is operating properly. The PCM also uses the fuel level in order to determine if the fuel level is too high or too low to be able to accurately detect EVAP system malfunction.

Conditions for Setting the DTC

The fuel level sensor should be more than 98% for more than 25 seconds.

Action Taken When the DTC Sets

    • The PCM records the operating conditions at the time the diagnostic fails. The Failure Records buffers will store this information.
    • A History DTC is stored.
    • The fuel tank level defaults to 40 percent.

Conditions for Clearing the DTC

    • A History DTC clears after 40 consecutive warm up cycles without a fault.
    • Use a scan tool to clear the DTCs.

Diagnostic Aids

    • An intermittent problem may be caused by the following conditions:
       - Poor electrical connection
       - Rubbed through wire insulation
       - A wire that is broken inside the wire insulation
    • Any circuitry, that is suspected as causing the intermittent complaint, should be thoroughly checked for the following conditions:
       - Backed out terminals
       - Improper mating
       - Broken locks
       - Improperly formed or damaged terminals
       - Poor terminal to wire connection

Test Description

Number(s) below refer to the step number(s) on the Diagnostic Table.

  1. The Powertrain OBD System Check prompts the technician to complete some basic checks and store the freeze frame and failure records data on the scan tool if applicable. This creates an electronic copy of the data taken when the malfunction occurred. The information is then stored in the scan tool for later reference.

  2. This step simulates a DTC P0462. If the PCM senses the change, then the PCM and the Fuel Level Sensor wiring are OK.

  3. Replacement PCMs must be reprogrammed and the crankshaft position system variation procedure must be performed. Refer to the latest Techline information for PCM reprogramming and also refer to the Crankshaft Position System Variation Learn for the Crankshaft Position System Variation Procedure.

DTC P0463-Fuel Level Circuit High Voltage

Step

Action

Value(s)

Yes

No

1

Was the Powertrain On-Board Diagnostic (OBD) System Check performed?

--

Go to Step 2

Go to Powertrain On Board Diagnostic (OBD) System Check

2

  1. Turn the ignition switch ON, with the engine OFF.
  2. Install a scan tool.

Is the Fuel Level sensor value greater than the specified value?

98%

Go to Step 3

Go to Diagnostic Aids

3

  1. Turn ON the ignition switch.
  2. Disconnect the Fuel Level sensor electrical connector.
  3. Connect a jumper wire between the Fuel Level sensor signal circuit and the Fuel Level sensor ground circuit at the Fuel Level Sensor electrical connector.

Is the Fuel Level sensor value less than the specified value?

3.5%

Go to Step 5

Go to Step 4

4

Connect a jumper wire to the Fuel Level sensor input circuit terminal at the Fuel Level sensor electrical connector to chassis ground.

Is the Fuel Level sensor value greater than the specified value?

3.5%

Go to Step 7

Go to Step 6

5

  1. Turn OFF the ignition switch.
  2. Check for poor electrical connections at the Fuel Level sensor electrical connector.
  3. Repair the electrical connections as necessary.

Was a repair necessary?

--

Go to Step 11

Go to Step 9

6

  1. Turn OFF the ignition switch.
  2. Check the Fuel Level sensor ground circuit for an open.
  3. Repair the Fuel Level ground circuit as necessary.

Was a repair necessary?

--

Go to Step 11

Go to Step 8

7

  1. Turn OFF the ignition switch.
  2. Check the Fuel Level sensor input circuit for an open.
  3. Repair the Fuel Level sensor signal circuit as necessary.

Was a repair necessary?

--

Go to Step 11

Go to Step 8

8

  1. Check for a poor Fuel Level sensor ground circuit terminal or a poor Fuel Level sensor input circuit terminal connection at the PCM.
  2. Replace the terminals if necessary

Did you need to replace any of the terminal(s)?

--

Go to Step 11

Go to Step 10

9

Replace the Fuel Level sensor.

Is the action complete?

--

Go to Step 11

--

10

Replace the PCM.

Is the action complete?

--

Go to Step 11

--

11

  1. Clear the DTCs with the scan tool.
  2. Start the engine.
  3. Idle the engine at the normal operating temperature.
  4. Operate the vehicle within the conditions and Conditions For setting The DTC as specified in the supporting text.

Does the scan tool indicate that this diagnostic has ran and passed?

--

Go to Step 12

Go to Step 2

12

Check if any additional DTCs are set.

Are any DTCs displayed that have not been diagnosed?

--

Go to the Applicable DTC table

System OK