GM Service Manual Online
For 1990-2009 cars only
Makes
🢒
Chevrolet
🢒
1999
🢒
S10 Pickup - 2WD
🢒 Cell 20: Power, Grounding, Generator and MIL
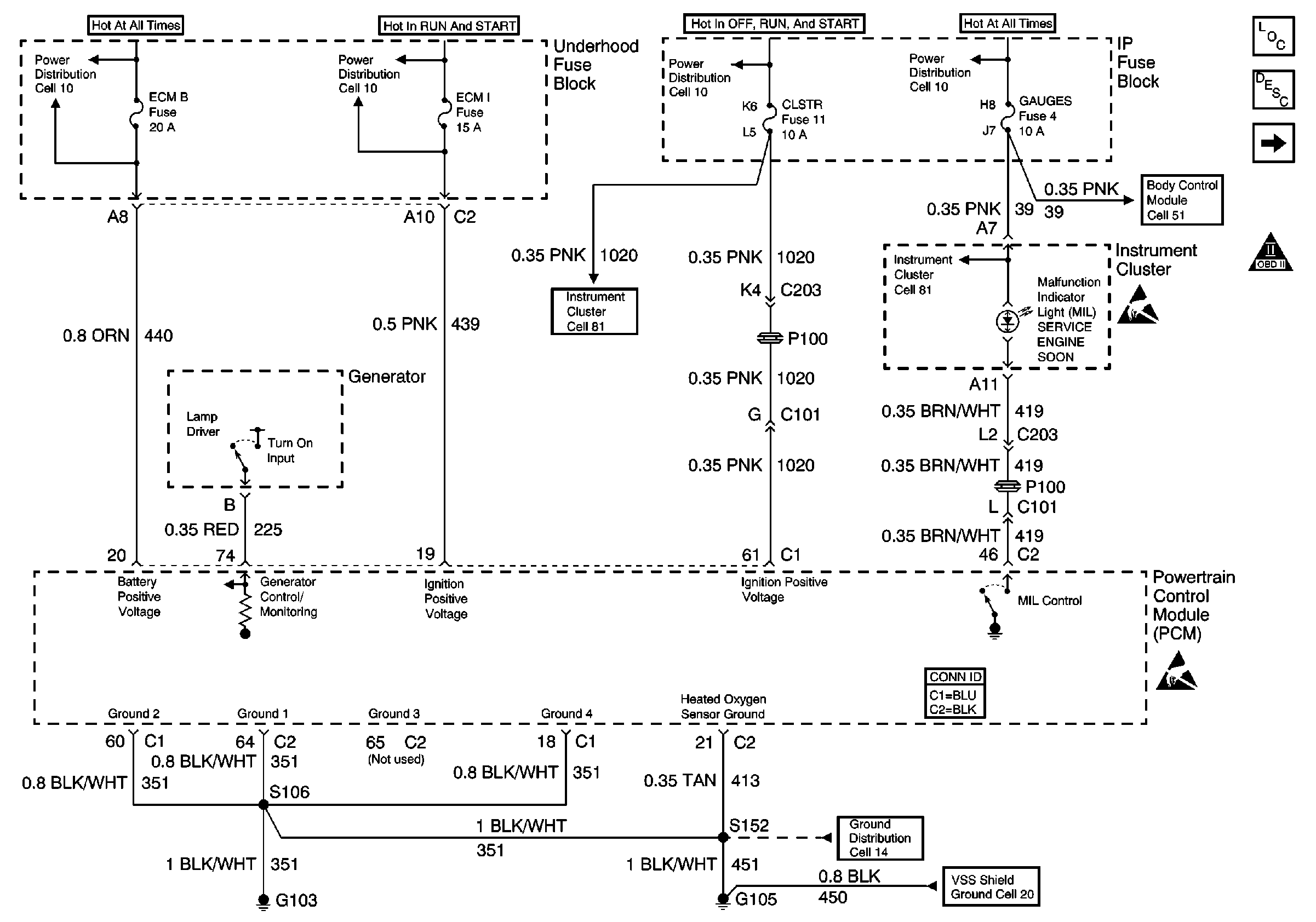
Cell 20: Power, Grounding, Generator and MIL
Cell 20: Power, Grounding, Generator and MIL
Engine Controls Components
Powertrain Control Module Description
Cell 20: Data Link Connector
OBD II Symbol Description Notice
OBD II Symbol Description Notice
Handling ESD Sensitive Parts Notice
Handling ESD Sensitive Parts Notice
Cell 10: ECM B, HORN Fuses and Horn, Fuel Pump Relays
Cell 10: ECM I Fuse
Cell 10: CRANK and CLSTR Fuses
Cell 81: Power
Powertrain Control Module Connector End Views
Cell 14: G103 and G105 (2.2L)
Cell 20: Vehicle Speed Sensor Signal
Cell 10: AUX PWR, RDO BAT, HDLP SW Fuses and Inadvertent Power Lamp Relay
Cell 51: Power and Ground
Cell 81: Power