GM Service Manual Online
For 1990-2009 cars only
Makes
🢒
Chevrolet
🢒
1999
🢒
S10 Pickup - 2WD
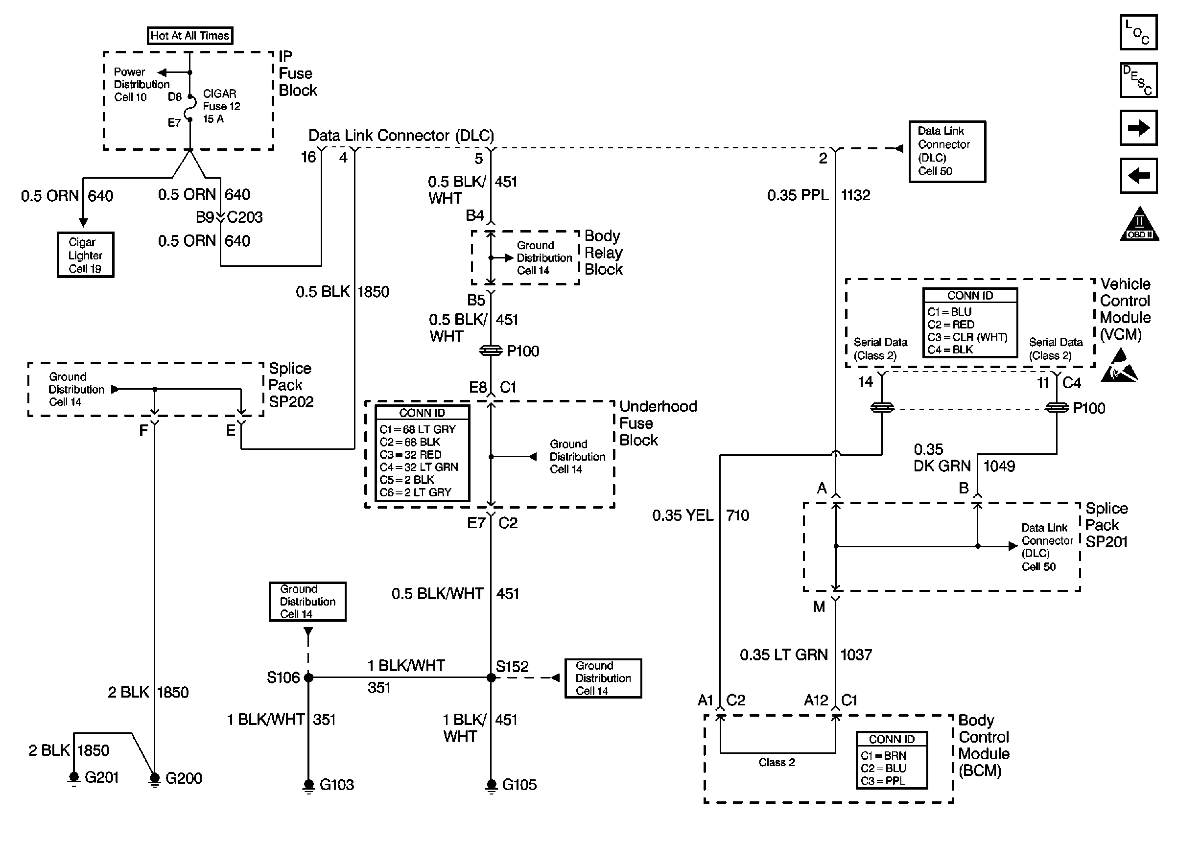
🢒 Cell 21: Data Link Connector
Cell 21: Data Link Connector
Cell 21: Data Link Connector
Cell 10: INT BATT, PWR LKS, CTSY LP and CIGAR LTR Fuses
Cell 19
Cell 14: G200, G201 and G207
Cell 14: Underhood Grounds
Cell 50: Power, Ground and SRS
Engine Controls Components
Vehicle Control Module Description
Cell 21: Ignition Controls
Cell 21: VCM, CLSTR and 4WD Fuses
OBD II Symbol Description Notice
VCM Connector End Views
Handling ESD Sensitive Parts Notice
Power and Grounding Connector End Views
Cell 14: Underhood Grounds
Cell 14: G103 and G105 (4.3L)
Cell 14: G103 and G105 (4.3L)
Body Control System Connector End Views
Cell 50: SP201 (4.3L)