GM Service Manual Online
For 1990-2009 cars only
Makes
🢒
Chevrolet
🢒
1999
🢒
S10 Pickup - 2WD
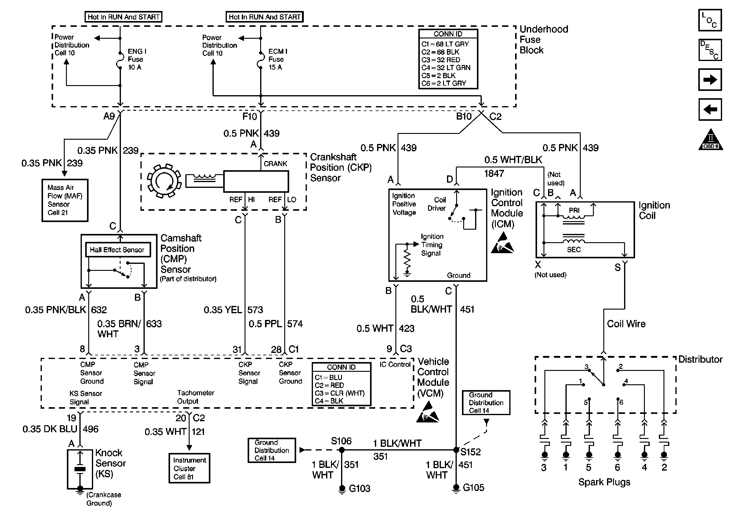
🢒 Cell 21: Ignition Controls
Cell 21: Ignition Controls
Cell 21: Ignition Controls
Cell 10: ENG I and OXYSEN Fuses
Power and Grounding Connector End Views
Cell 10: ECM I Fuse
Cell 21: MAF Sensor and IAC Valve
VCM Connector End Views
Cell 81: VCM/PCM, DLC and SRS
Cell 14: G103 and G105 (4.3L)
Handling ESD Sensitive Parts Notice
Handling ESD Sensitive Parts Notice
Engine Controls Components
Vehicle Control Module Description
Cell 21: Fuel Pump and Sender
Cell 21: Data Link Connector
OBD II Symbol Description Notice
Cell 14: G103 and G105 (4.3L)