GM Service Manual Online
For 1990-2009 cars only
Makes
🢒
Chevrolet
🢒
1999
🢒
S10 Pickup - 2WD
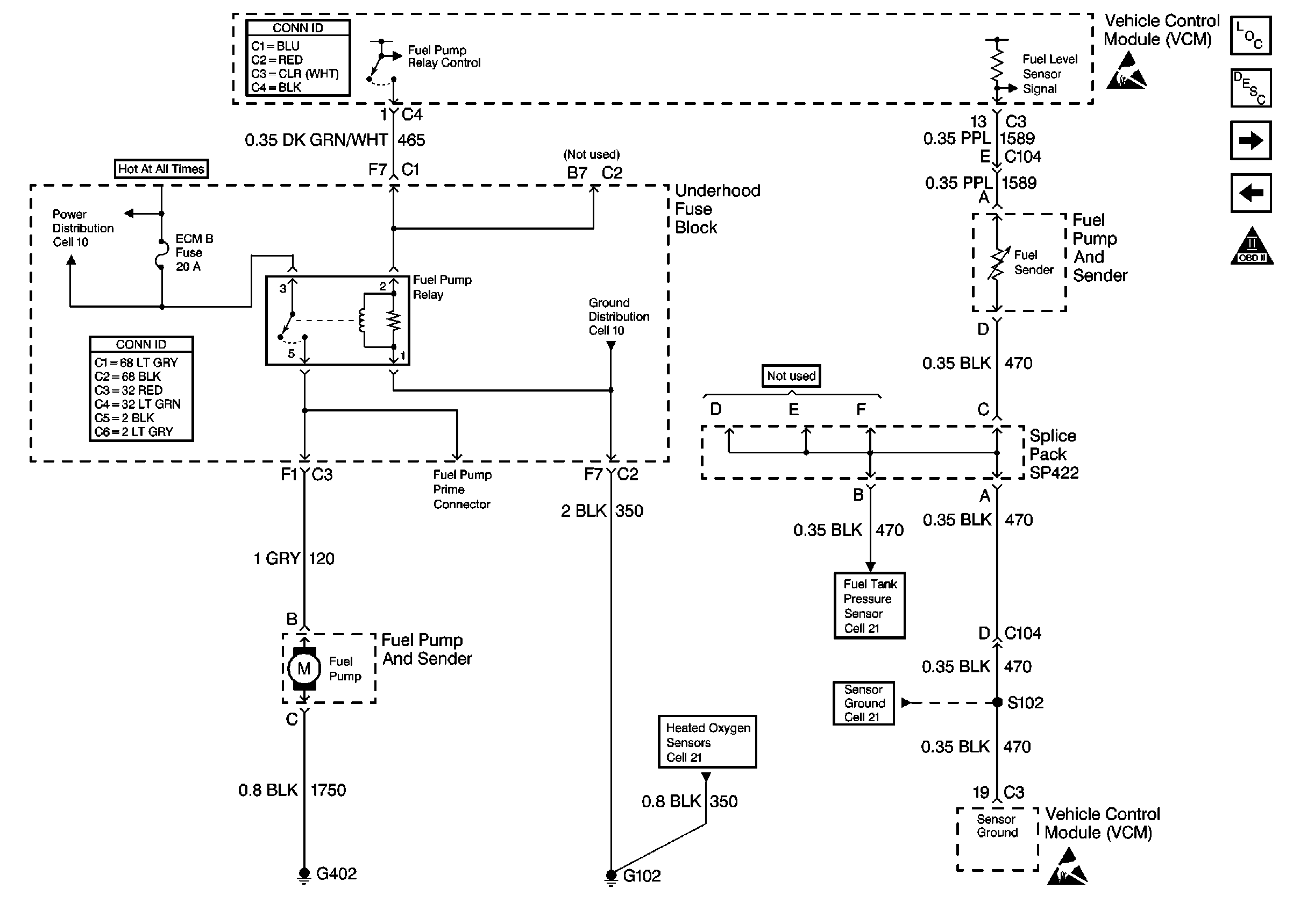
🢒 Cell 21: Fuel Pump and Sender
Cell 21: Fuel Pump and Sender
Cell 21: Fuel Pump and Sender
VCM Connector End Views
Cell 10: ECM B, HORN Fuses and Horn, Fuel Pump Relays
Power and Grounding Connector End Views
Handling ESD Sensitive Parts Notice
Engine Controls Components
Vehicle Control Module Description
Cell 21: Fuel Injection Controls
Cell 21: Ignition Controls
OBD II Symbol Description Notice
Handling ESD Sensitive Parts Notice
Cell 21: Vehicle Speed Sensor
Cell 21: MAP, IAT, ECT, TP and Fuel Tank Pressure Sensors
Cell 21: Heated Oxygen Sensors
Cell 14: Underhood Grounds