GM Service Manual Online
For 1990-2009 cars only
Makes
🢒
Chevrolet
🢒
1999
🢒
S10 Pickup - 2WD
🢒 Cell 38: Power and Ground
Cell 38: Power and Ground
Cell 38: Power and Ground
Cell 10: ATC, HVAC and A/C Fuses
Cell 10: INT BATT, PWR LKS, CTSY LP and CIGAR LTR Fuses
Transfer Case Control Components
Transfer Case Control Module Description
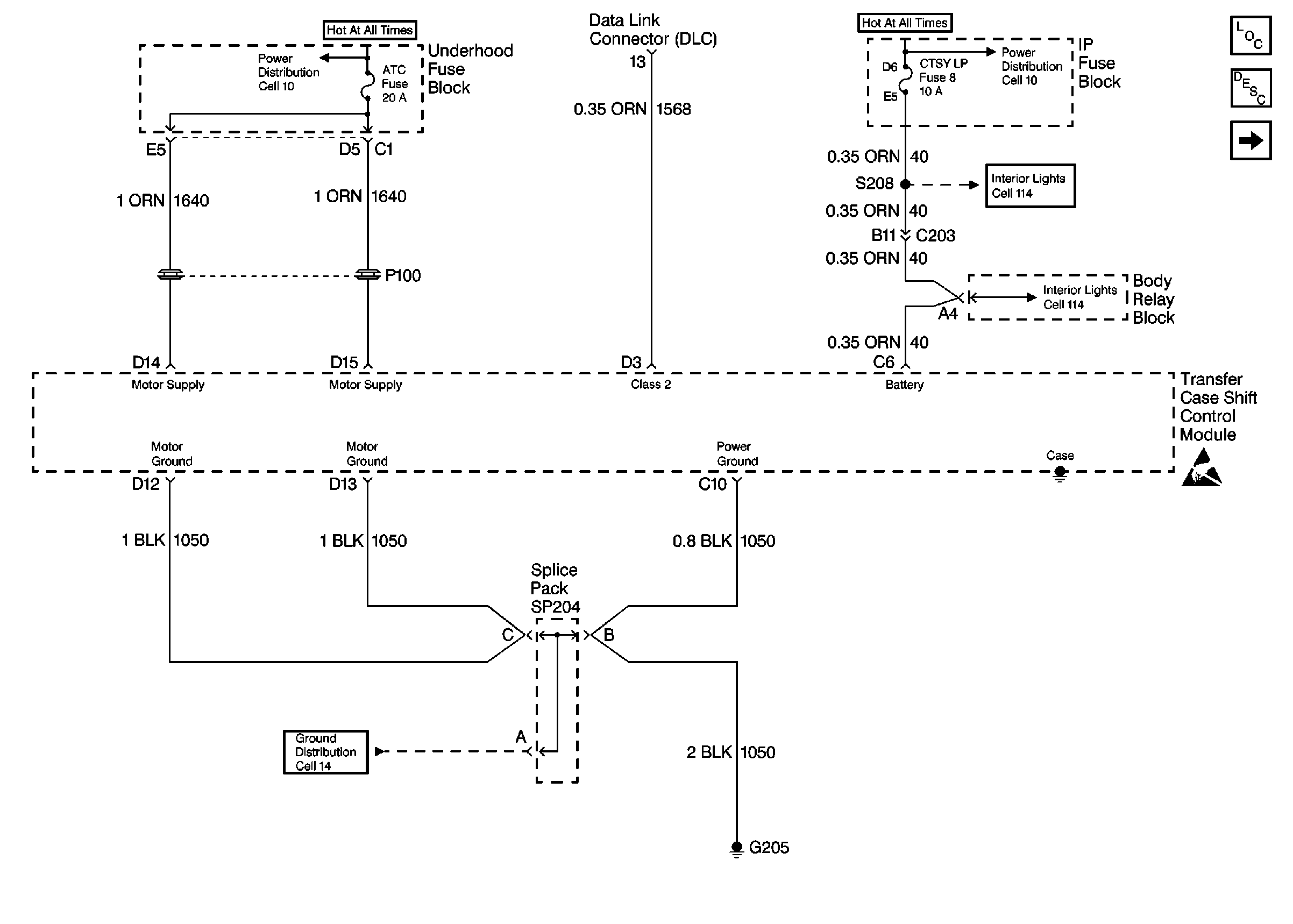
Cell 38: Transfer Case Shift Control Module and Electric Shift Transfer Case
Cell 114: CTSY LP Fuse, Courtesy Lamp Relay and Courtesy Lamps
Cell 114: CTSY LP Fuse, Courtesy Lamp Relay and Courtesy Lamps
Handling ESD Sensitive Parts Notice
Ground Distribution Schematics