GM Service Manual Online
For 1990-2009 cars only
Makes
🢒
Chevrolet
🢒
1999
🢒
S10 Pickup - 2WD
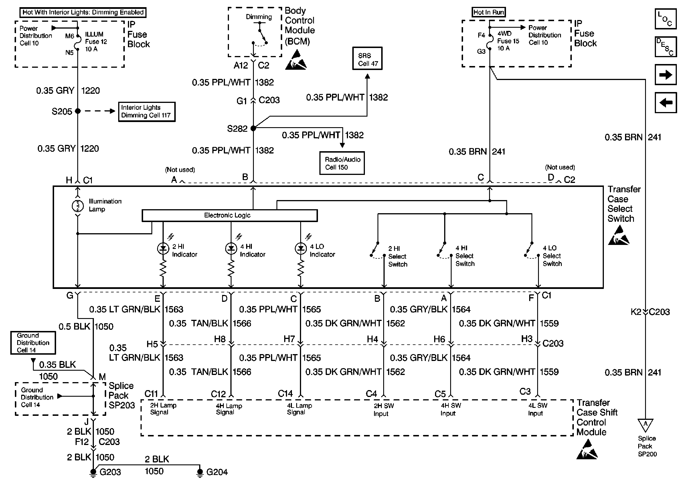
🢒 Cell 38: Power, Transfer Case Select Switch and Body Control Module(BCM)
Cell 38: Power, Transfer Case Select Switch and Body Control Module(BCM)
Cell 38: Power, Transfer Case Select Switch and Body Control Module (BCM)
Cell 10: PARK LP, ILLUM Fuses and Park Lamp, Headlamp Grounding Relays
Handling ESD Sensitive Parts Notice
Cell 10: 4WD Fuse
Transfer Case Control Components
Transfer Case Control Module Description
Cell 38: Power, Front Axle Switch and Vehicle Control Module (VCM)
Cell 38: Transfer Case Shift Control Module and Electric Shift Transfer Case
Handling ESD Sensitive Parts Notice
Cell 38: Power, Front Axle Switch and Vehicle Control Module (VCM)
Cell 14: G203 and G204
Cell 14: G203 and G204
Cell 117: ILLUM Fuse 12
Handling ESD Sensitive Parts Notice