GM Service Manual Online
For 1990-2009 cars only
Makes
🢒
Chevrolet
🢒
2000
🢒
S10 Pickup - 2WD
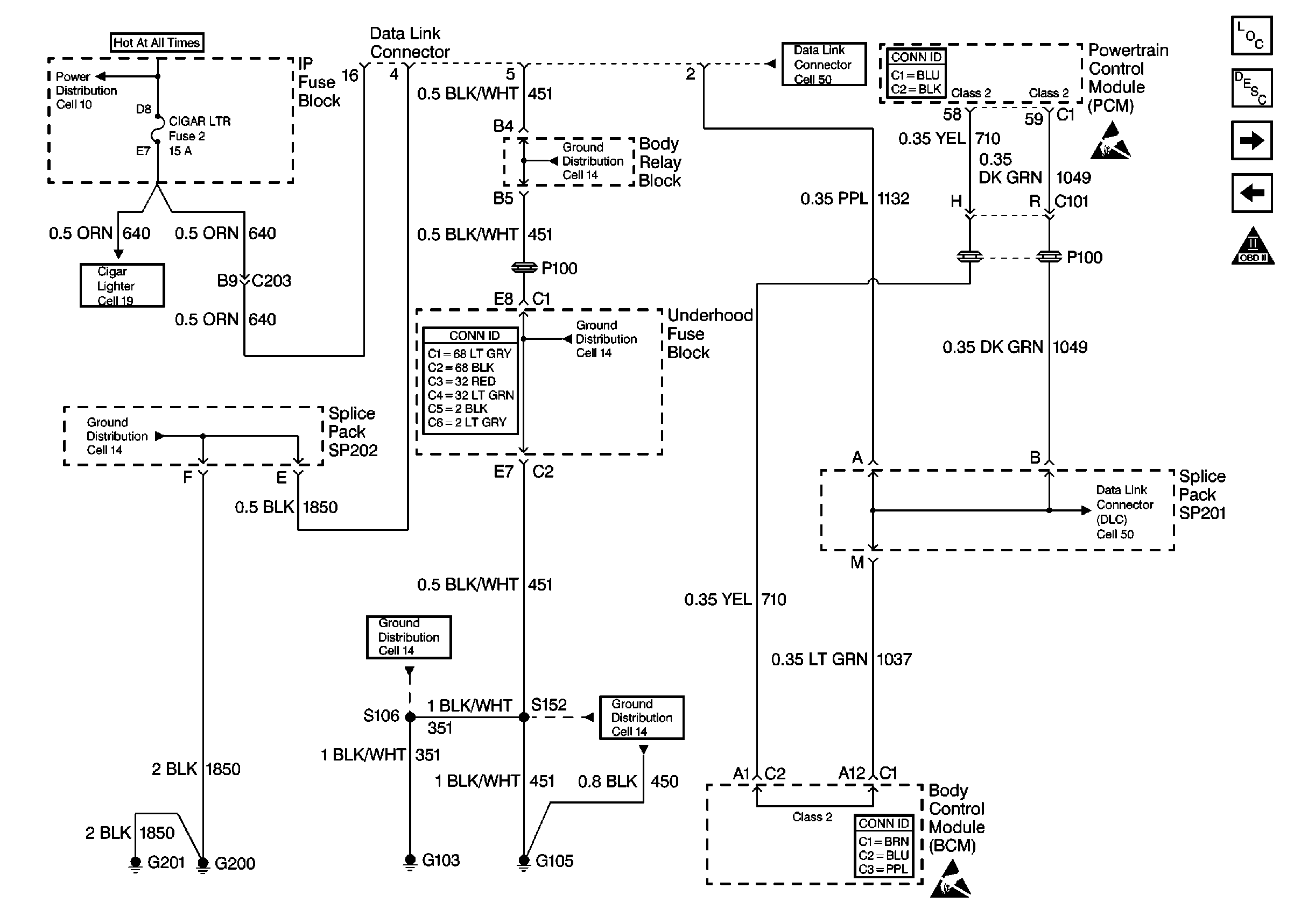
🢒 Cell 20: Data Link Connector
Cell 20: Data Link Connector
Cell 20: Data Link Connector
Cell 10: INT BATT Fuse
Cell 19 (Except Envoy)
Cell 14: G200, G201 and G207 (Pickup)
Power and Grounding Connector End Views
Cell 14: Body Relay Block and Underhood Fuse Block
Cell 14: Body Relay Block and Underhood Fuse Block
Cell 50: Power, Ground, SDM and VIU
Powertrain Control Module Connector End Views
Handling ESD Sensitive Parts Notice
Engine Controls Components
Powertrain Control Module Description
Cell 20: Ignition Controls
Cell 20: Power, Grounding, Generator and MIL
OBD II Symbol Description Notice
Handling ESD Sensitive Parts Notice
Body Control System Connector End Views
Cell 50: Class 2 Communication (2.2L)
Cell 14: G103 and G105 (2.2L)
Cell 14: G103 and G105 (2.2L)