GM Service Manual Online
For 1990-2009 cars only
Makes
🢒
Chevrolet
🢒
2000
🢒
S10 Pickup - 2WD
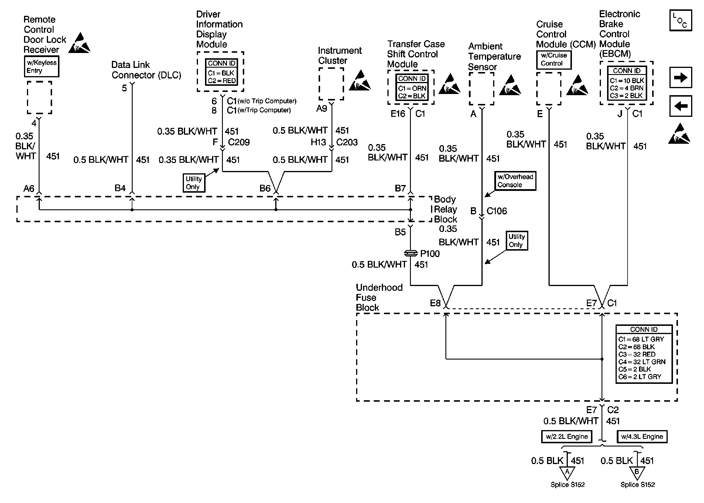
🢒 Cell 14: Body Relay Block and Underhood Fuse Block
Cell 14: Body Relay Block and Underhood Fuse Block
Cell 14: Body Relay Block and Underhood Fuse Block
Handling ESD Sensitive Parts Notice
Driver Information Systems Connector End Views
Handling ESD Sensitive Parts Notice
Transfer Case Control Connector End Views
Handling ESD Sensitive Parts Notice
Handling ESD Sensitive Parts Notice
Handling ESD Sensitive Parts Notice
Antilock Brake System Connector End Views
Power and Grounding Components
Cell 14: G103 and G105 (2.2L)
Cell 14: G102 (Envoy Only)
Handling ESD Sensitive Parts Notice
Power and Grounding Connector End Views
Cell 14: G103 and G105 (2.2L)
Cell 14: G103 and G105 (4.3L)