GM Service Manual Online
For 1990-2009 cars only
Makes
🢒
Chevrolet
🢒
2000
🢒
S10 Pickup - 2WD
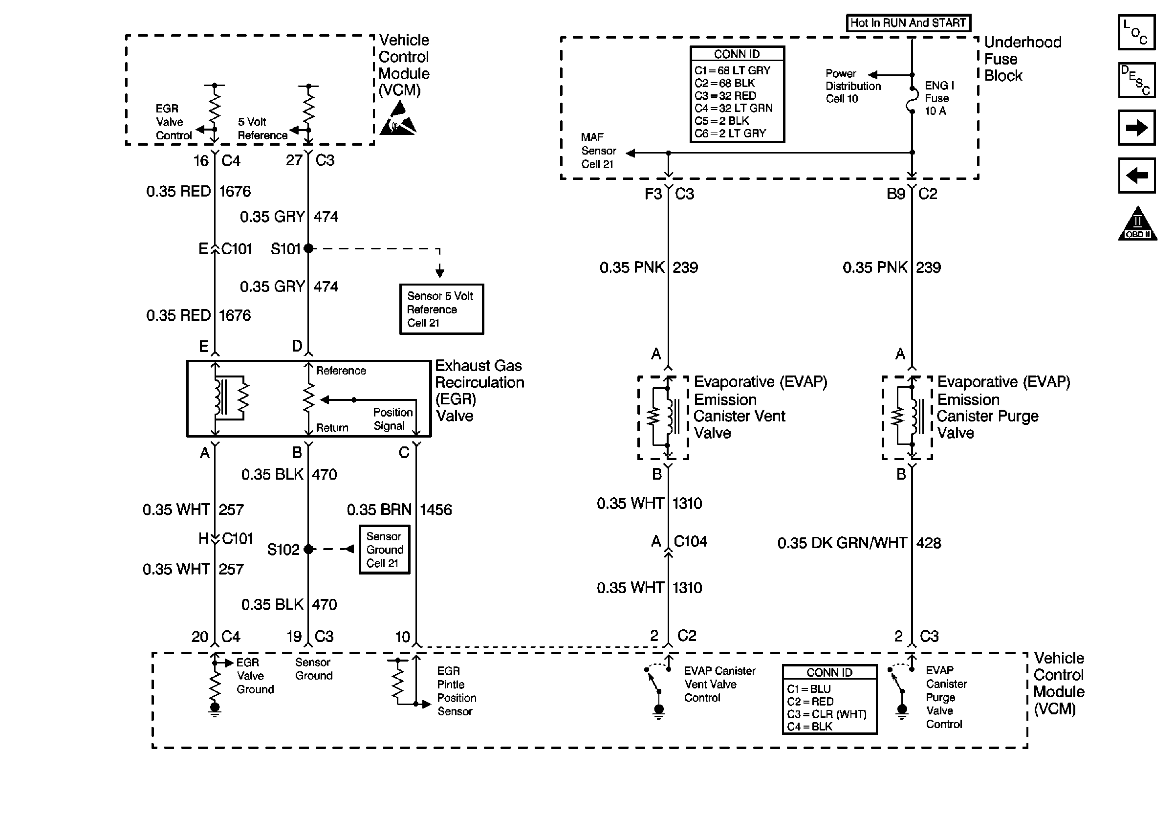
🢒 Cell 21: EGR and EVAP Valves
Cell 21: EGR and EVAP Valves
Cell 21: EGR and EVAP Valves
Handling ESD Sensitive Parts Notice
Power and Grounding Connector End Views
Cell 21: MAF Sensor and IAC Valve
Cell 10: ENG I and OXYSEN Fuses
Engine Controls Components
Vehicle Control Module Description
Cell 21: AIR Pump Control
Cell 21: MAF Sensor and IAC Valve
OBD II Symbol Description Notice
VCM Connector End Views
Cell 21: Engine Sensors (Pickup)
Cell 21: Engine Sensors (Pickup)