GM Service Manual Online
For 1990-2009 cars only
Makes
🢒
Chevrolet
🢒
2000
🢒
S10 Pickup - 2WD
🢒 Cell 21: Engine Sensors (Pickup)
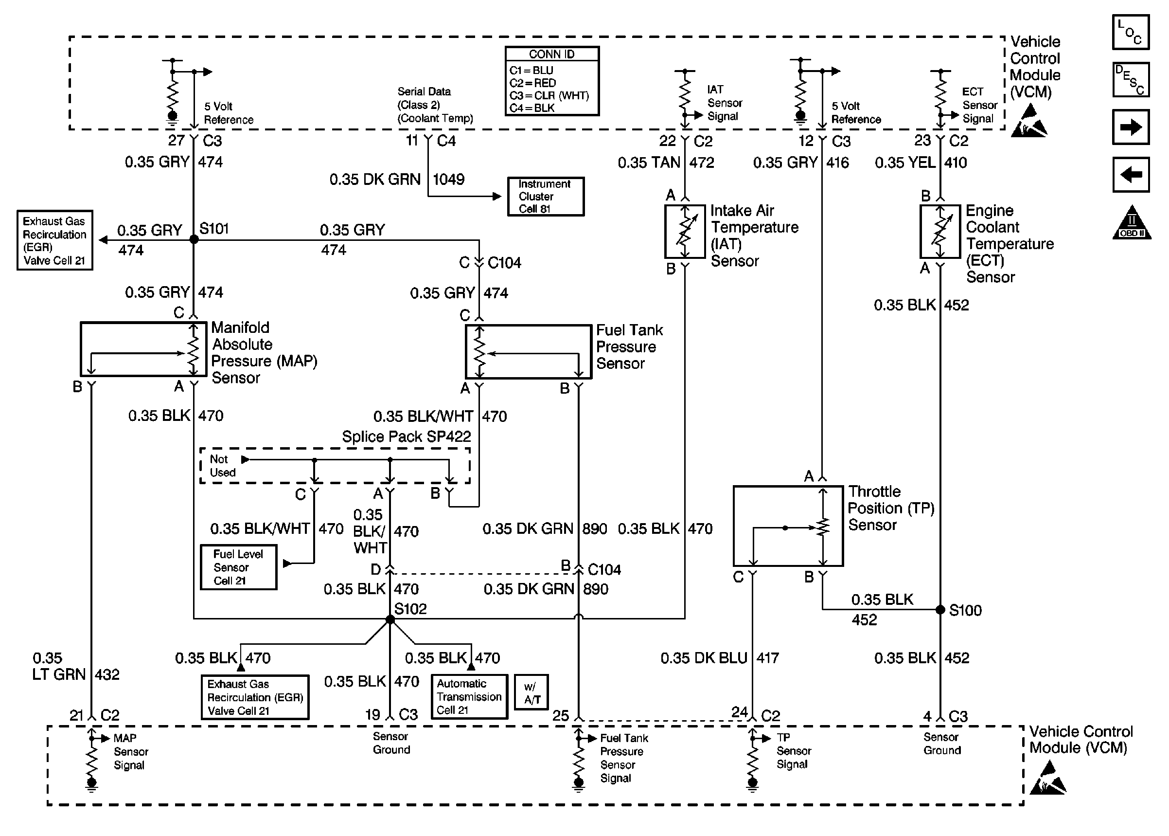
Cell 21: Engine Sensors (Pickup)
Cell 21: Engine Sensors (Pickup)
VCM Connector End Views
Cell 21: EGR and EVAP Valves
Cell 81: G203, G204, Park Switch and PCM/VCM
Cell 21: Fuel Level Sensor
Cell 21: EGR and EVAP Valves
Cell 21: Automatic Transmission Valve Controls
Handling ESD Sensitive Parts Notice
Handling ESD Sensitive Parts Notice
Engine Controls Components
Vehicle Control Module Description
Cell 21: Engine Sensors (Utility)
Cell 21: Fuel Injection Controls
OBD II Symbol Description Notice