GM Service Manual Online
For 1990-2009 cars only
Makes
🢒
Chevrolet
🢒
2000
🢒
S10 Pickup - 2WD
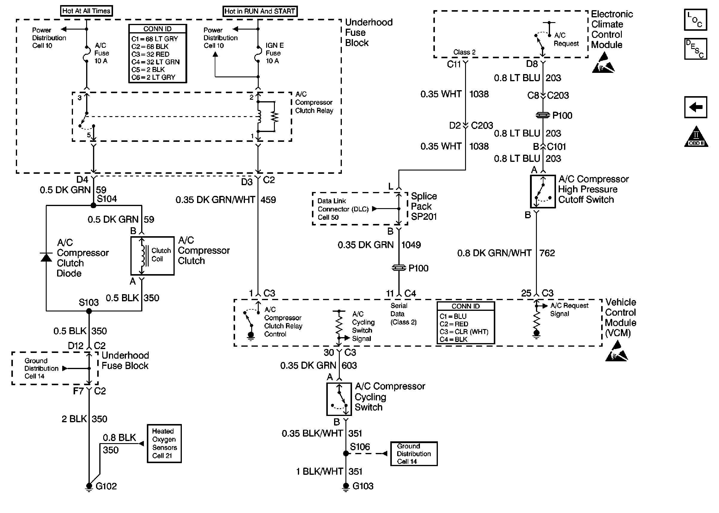
🢒 Cell 21: Automatic A/C Compressor Control
Cell 21: Automatic A/C Compressor Control
Cell 21: Automatic A/C Compressor Control
Cell 10: HTD SEAT, ATC, HVAC and A/C Fuses
Power and Grounding Connector End Views
Cell 10: IGN E Fuse and A/C Compressor, Rear Defogger, DRL Relays
Cell 14: G102 (Except Envoy)
Cell 21: Heated Oxygen Sensors
Cell 14: G103 and G105 (4.3L)
VCM Connector End Views
Handling ESD Sensitive Parts Notice
Cell 50: Class 2 Communication (4.3L)
Handling ESD Sensitive Parts Notice
Engine Controls Components
Vehicle Control Module Description
Cell 21: Manual A/C Compressor Control
OBD II Symbol Description Notice