GM Service Manual Online
For 1990-2009 cars only
Makes
🢒
Chevrolet
🢒
2000
🢒
S10 Pickup - 2WD
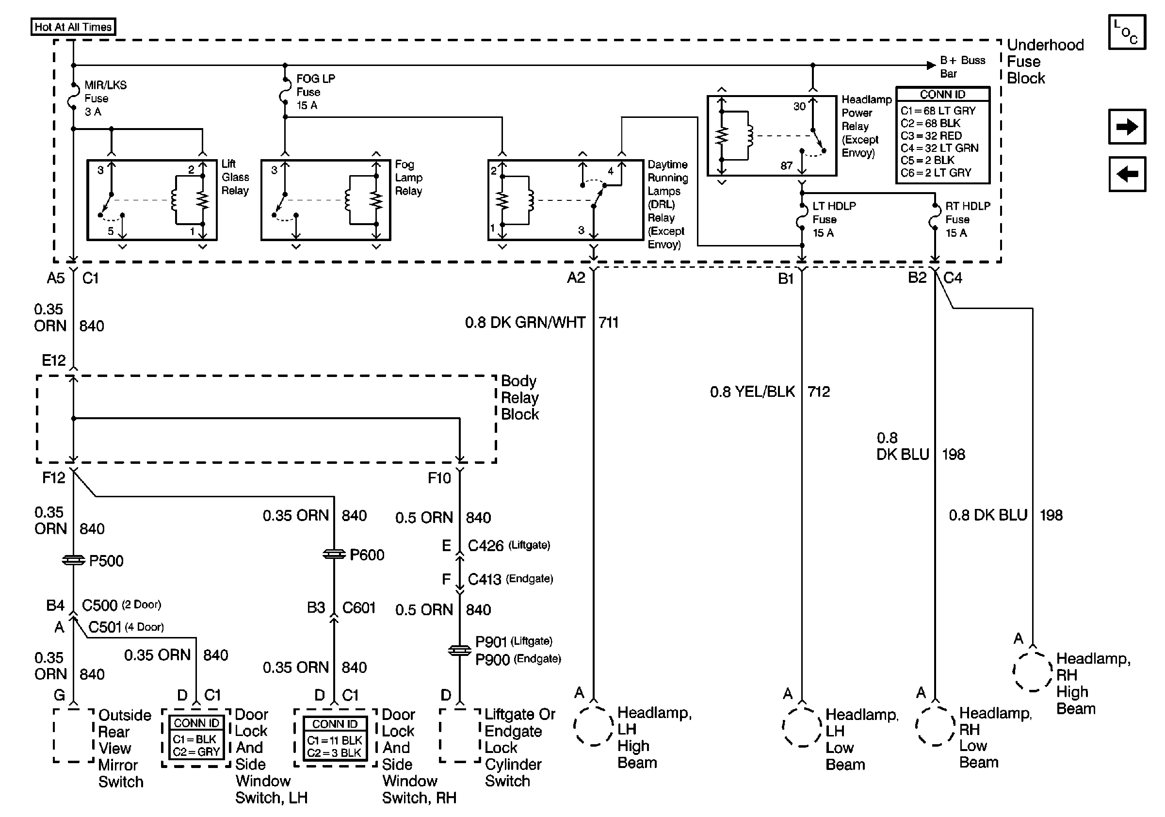
🢒 Cell 10: MIR/LKS, FOG LP Fuses and DRL, Headlamp Power Relays
Cell 10: MIR/LKS, FOG LP Fuses and DRL, Headlamp Power Relays
Cell 10: MIR/LKS, FOG LP Fuses and DRL, Headlamp Power Relays
Power Door Systems Connector End Views
Power Door Systems Connector End Views
Power and Grounding Connector End Views
Power and Grounding Components
Cell 10: HI BEAM, LD LEV, DRL Fuses and Low Beam Relay (Envoy Only)
Cell 10: HTD SEAT, ATC, HVAC and A/C Fuses
Cell 10: B+ Buss Bar