GM Service Manual Online
For 1990-2009 cars only
Makes
🢒
Chevrolet
🢒
2000
🢒
S10 Pickup - 2WD
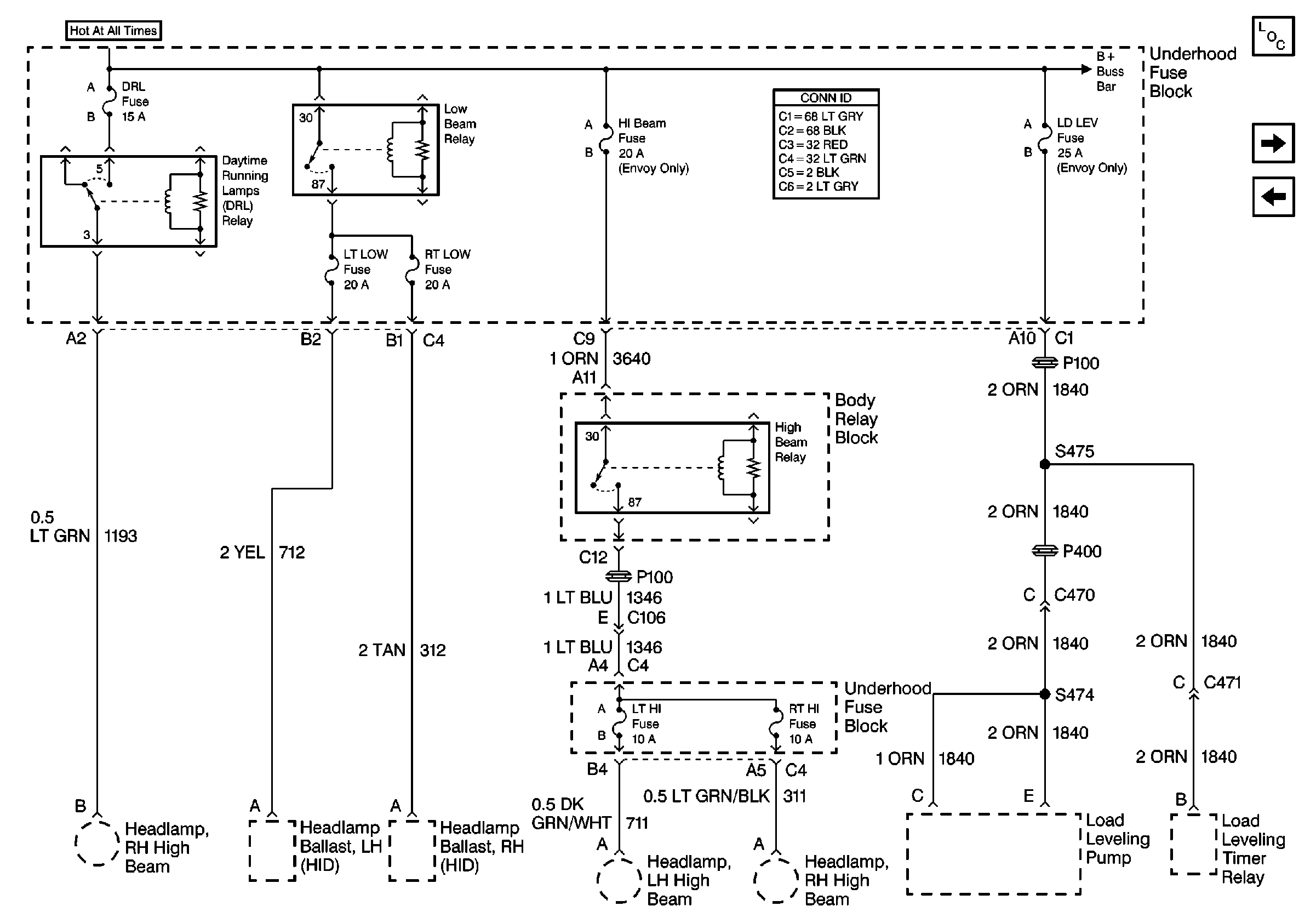
🢒 Cell 10: HI BEAM, LD LEV, DRL Fuses and Low Beam Relay (Envoy Only)
Cell 10: HI BEAM, LD LEV, DRL Fuses and Low Beam Relay (Envoy Only)
Cell 10: HI BEAM, LD LEV, DRL Fuses and Low Beam Relay (Envoy Only)
Power and Grounding Connector End Views
Power and Grounding Components
Cell 10: ECM B Fuse and Horn, Rear Defogger Relays
Cell 10: MIR/LKS, FOG LP Fuses and DRL, Headlamp Power Relays
Cell 10: B+ Buss Bar