GM Service Manual Online
For 1990-2009 cars only
Makes
🢒
Chevrolet
🢒
2000
🢒
S10 Pickup - 2WD
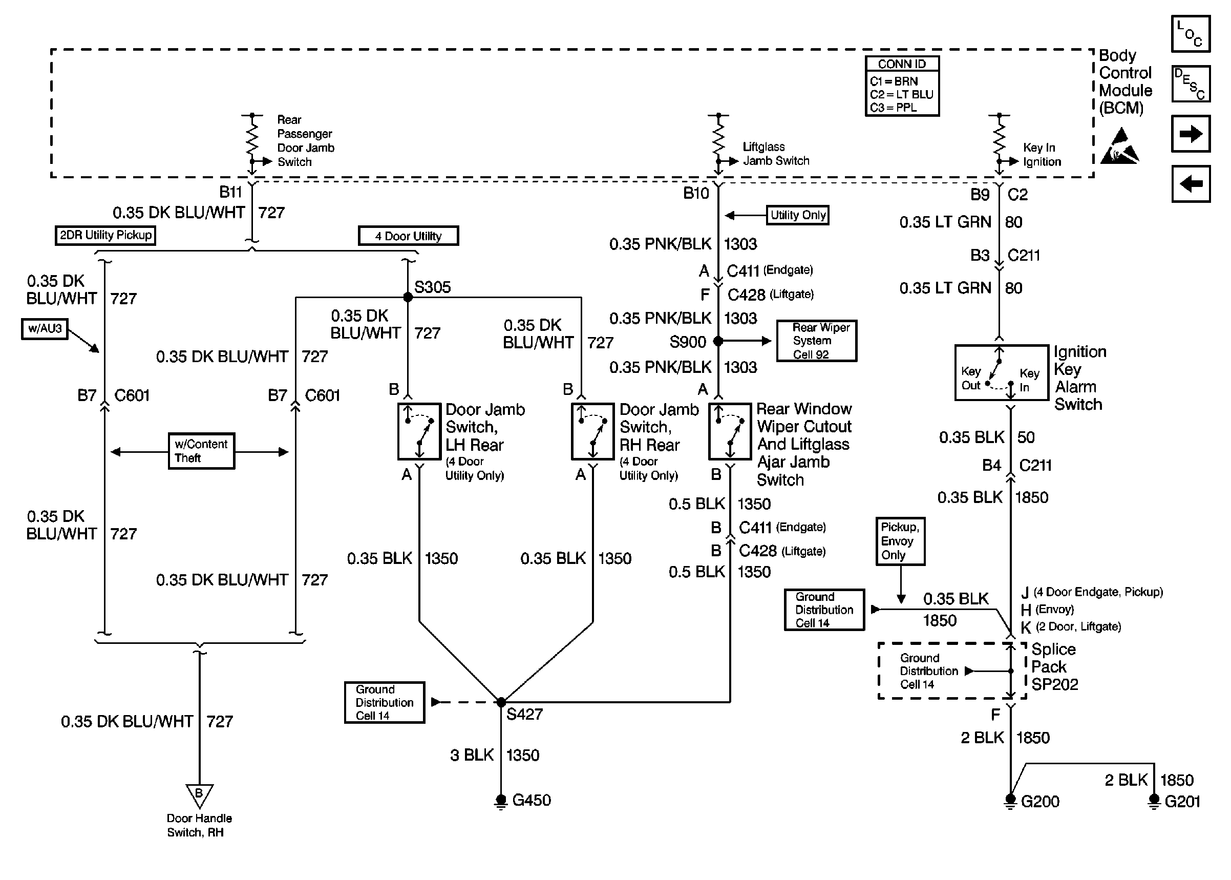
🢒 Cell 51: Door Jamb Switches and Ignition Key Alarm Switch
Cell 51: Door Jamb Switches and Ignition Key Alarm Switch
Cell 51: Door Jamb Switches and Ignition Key Alarm Switch
Body Control System Connector End Views
Handling ESD Sensitive Parts Notice
Body Control Module Components
Body Control System Circuit Description
Cell 51: Door Handle Switches and Door Lock Cylinder Switches
Cell 51: Door Lock/Unlock Relays and Remote Control Door Lock Receiver
Cell 51: Door Handle Switches and Door Lock Cylinder Switches
Cell 14: G420 and G450 (Utility w/ Endgate)
Cell 14: G200, G201 and G207 (Envoy)
Cell 92
Cell 14: G200, G201 and G207 (Pickup)