GM Service Manual Online
For 1990-2009 cars only
Makes
🢒
Chevrolet
🢒
2000
🢒
S10 Pickup - 2WD
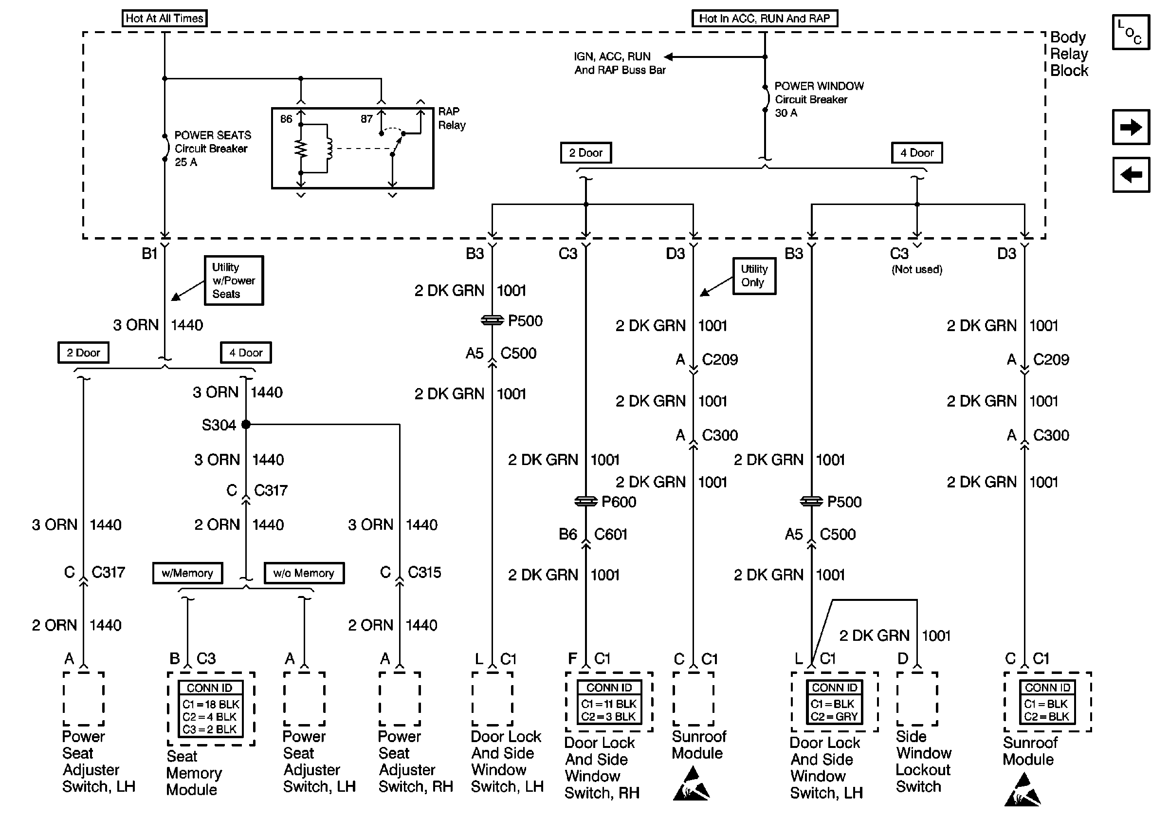
🢒 Cell 10: Power Seats, Power Windows Circuit Breakers and RAP Relays
Cell 10: Power Seats, Power Windows Circuit Breakers and RAP Relays
Cell 10: Power Seats, Power Windows Circuit Breakers and RAP Relays
Power and Grounding Components
Cell 10: RDO IGN and STR WHL RDO IGN Fuses
Cell 10: ECM I Fuse
Power Seat Connector End Views
Power Door Systems Connector End Views
Handling ESD Sensitive Parts Notice
Power Door Systems Connector End Views
Handling ESD Sensitive Parts Notice
Power Roof Systems Connector End Views
Cell 10: Ign ACC, RUN and RAP Buss Bar