GM Service Manual Online
For 1990-2009 cars only
Makes
🢒
Chevrolet
🢒
2000
🢒
S10 Pickup - 2WD
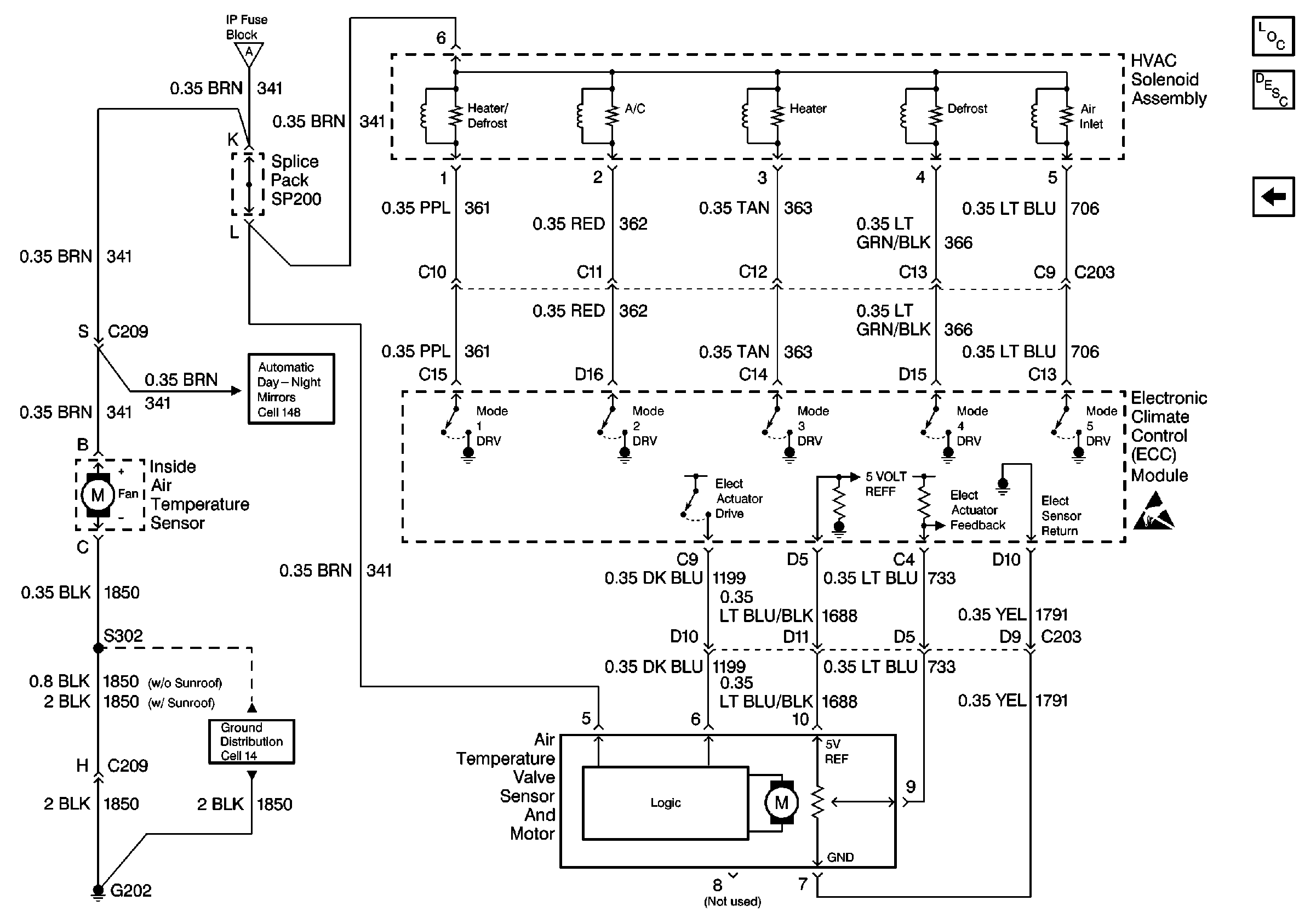
🢒 Cell 68: HVAC Solenoid Assembly and Air Temperature Valve Sensor and Motor
Cell 68: HVAC Solenoid Assembly and Air Temperature Valve Sensor and Motor
Cell 68: HVAC Solenoid Assembly and Air Temperature Valve Sensor and Motor
Cell 68: ECC Module, Power and Ground
Cell 14: G202 (Utility)
Cell 148
Handling ESD Sensitive Parts Notice
HVAC Components
HVAC Air Delivery/Temperature Control Circuit Description
Cell 68: ECC Module and Temperature Sensors