GM Service Manual Online
For 1990-2009 cars only
Makes
🢒
Chevrolet
🢒
2000
🢒
S10 Pickup - 2WD
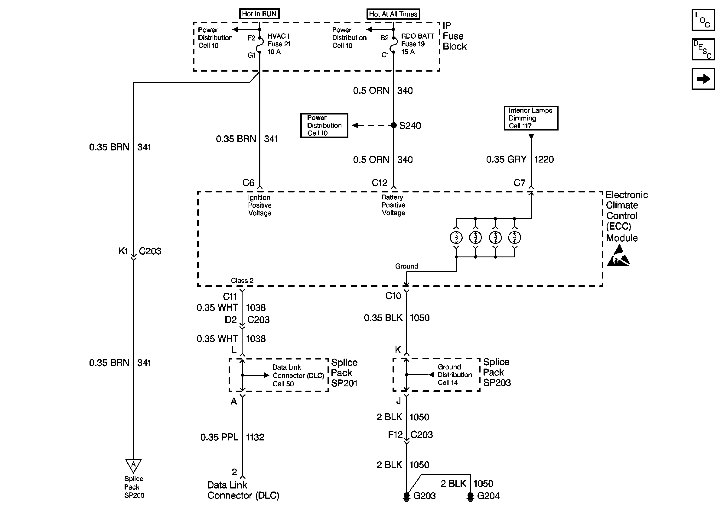
🢒 Cell 68: ECC Module, Power and Ground
Cell 68: ECC Module, Power and Ground
Cell 68: ECC Module, Power and Ground
Cell 10: HVAC I Fuse
Cell 68: HVAC Solenoid Assembly and Air Temperature Valve Sensor and Motor
Cell 50: Class 2 Communication (4.3L)
Cell 14: G203 and G204 (Utility w/ Auto A/C)
Cell 117: ILLUM Fuse 12
Cell 10: AUX PWR, RDO BATT and HDLP SW Fuses
Cell 10: AUX PWR, RDO BATT and HDLP SW Fuses
Handling ESD Sensitive Parts Notice
HVAC Components
HVAC Air Delivery/Temperature Control Circuit Description
Cell 68: ECC Module and Temperature Sensors