GM Service Manual Online
For 1990-2009 cars only
Makes
🢒
Chevrolet
🢒
2000
🢒
S10 Pickup - 2WD
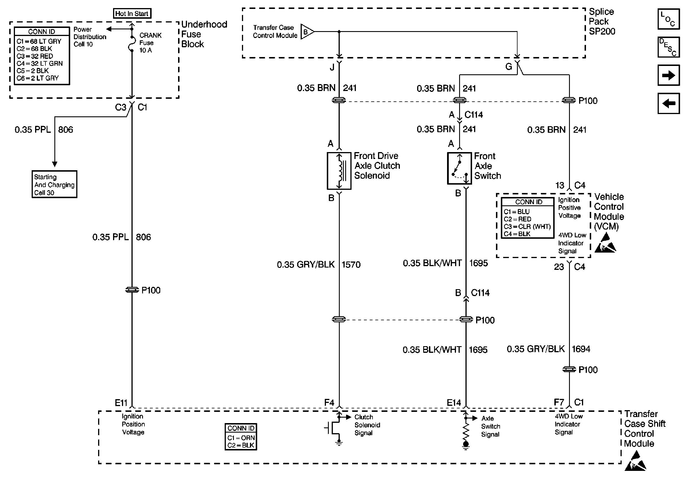
🢒 Cell 38: Front Axle Clutch Solenoid and Front Axle Switch
Cell 38: Front Axle Clutch Solenoid and Front Axle Switch
Cell 38: Front Axle Clutch Solenoid and Front Axle Switch
Power and Grounding Connector End Views
Cell 38: Power and Ground
Transfer Case Control Components
Cell 10: CRANK and CLSTR Fuses
Transfer Case Circuit Description
Cell 38: Transfer Case Select Switch
Cell 38: Power and Ground
VCM Connector End Views
Handling ESD Sensitive Parts Notice
Handling ESD Sensitive Parts Notice
Transfer Case Control Connector End Views
Cell 30: Manual Transmission Starting