GM Service Manual Online
For 1990-2009 cars only
Makes
🢒
Chevrolet
🢒
2000
🢒
S10 Pickup - 2WD
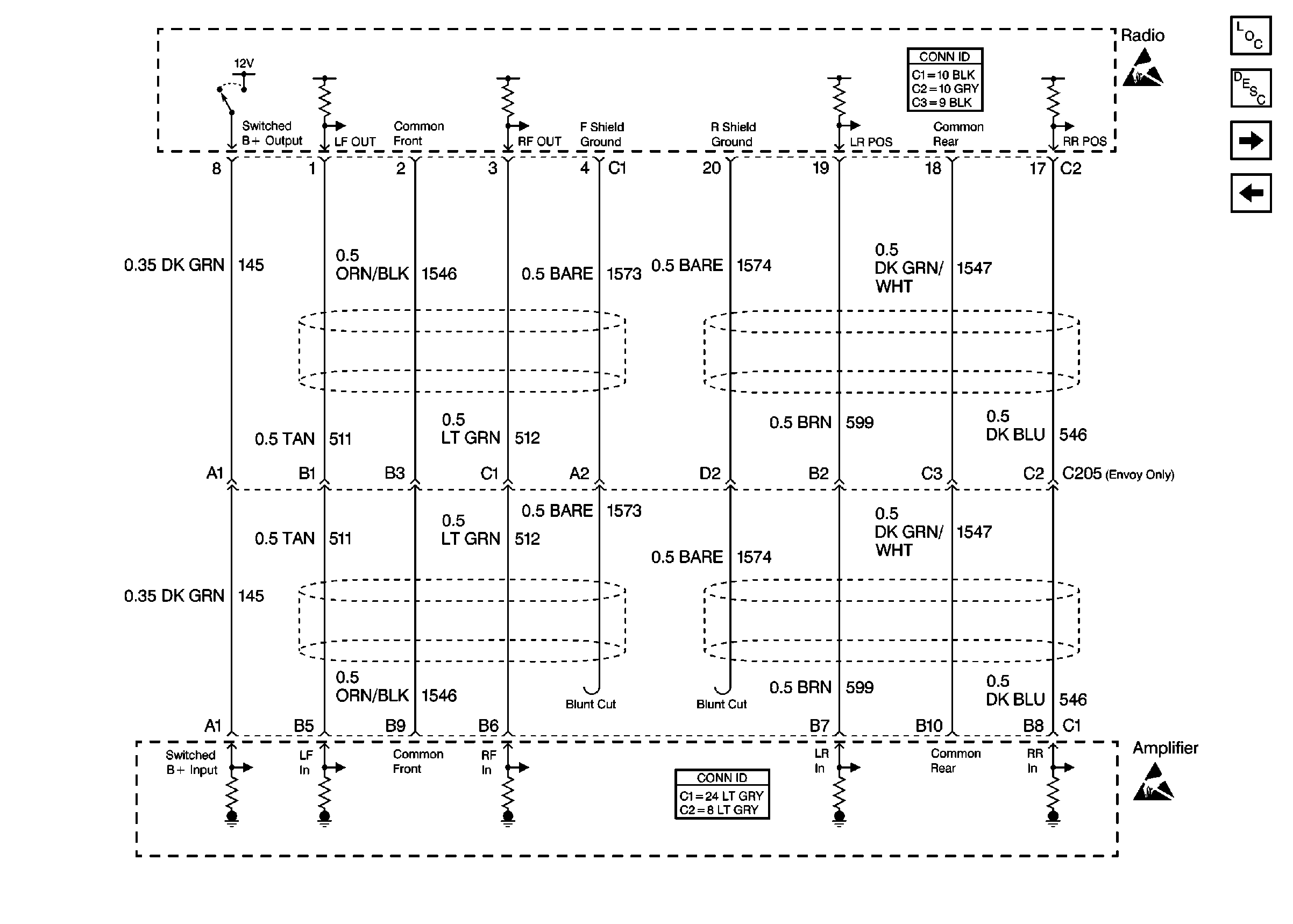
🢒 Cell 150: Amplifier Inputs (Chevy/GMC)
Cell 150: Amplifier Inputs (Chevy/GMC)
Cell 150: Amplifier Inputs (Chevy/GMC)
Entertainment Components
Radio/Audio System Circuit Description
Entertainment Connector End Views
Handling ESD Sensitive Parts Notice
Cell 150: Amplifier - Left Channel Output (Chevy/GMC)
Cell 150: Amplifier Power and Ground (Chevy/GMC)
Handling ESD Sensitive Parts Notice
Entertainment Connector End Views