GM Service Manual Online
For 1990-2009 cars only
Makes
🢒
Chevrolet
🢒
2000
🢒
S10 Pickup - 2WD
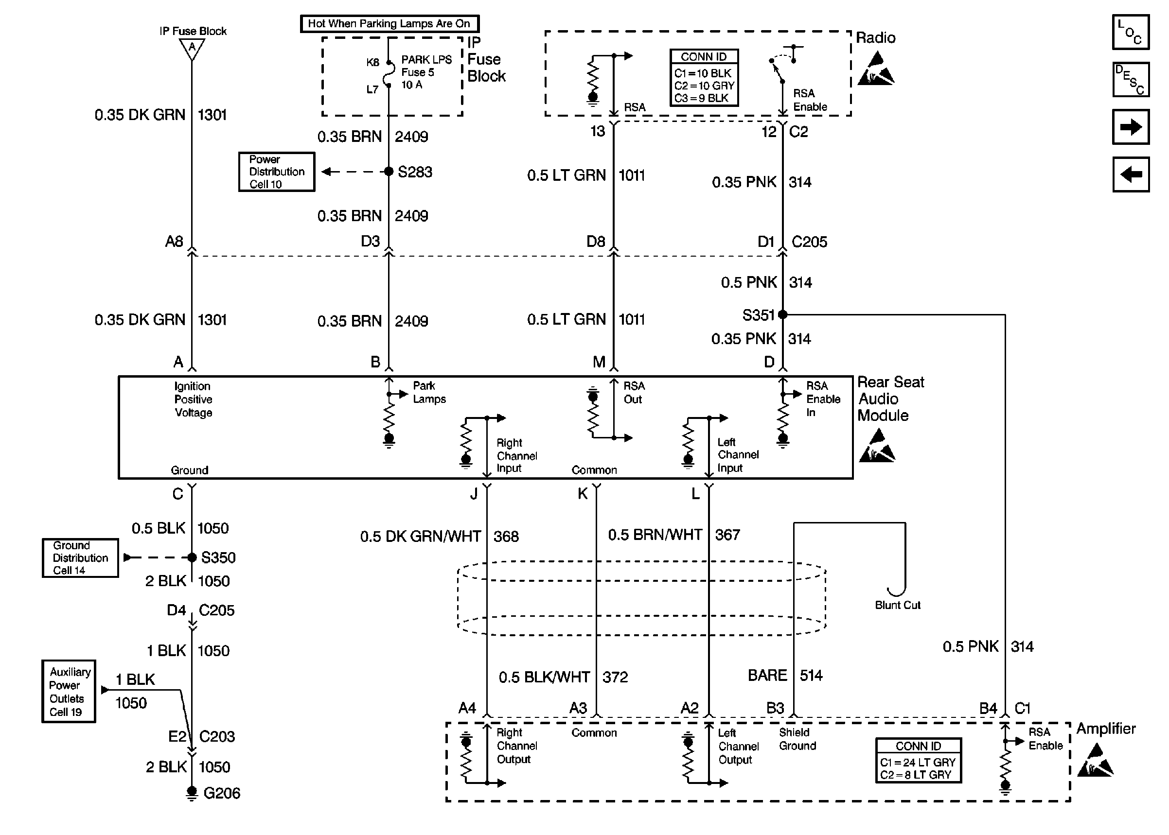
🢒 Cell 150: Rear Seat Audio Module (Envoy)
Cell 150: Rear Seat Audio Module (Envoy)
Cell 150: Rear Seat Audio Module (Envoy)
Entertainment Components
Radio/Audio System Circuit Description
Cell 150: Power and Ground (Chevy/GMC)
Cell 10: ILLUM, PARK LP Fuses
Entertainment Connector End Views
Handling ESD Sensitive Parts Notice
Handling ESD Sensitive Parts Notice
Cell 14: G206 (Except Base Pickup)
Cell 19 (Envoy Only)
Entertainment Connector End Views
Handling ESD Sensitive Parts Notice
Cell 150: Radio Power, Ground and Speakers (Bravada w/o Amplifier)
Cell 150: Amplifier - Right Channel Output (Chevy/GMC)