GM Service Manual Online
For 1990-2009 cars only
Makes
🢒
Chevrolet
🢒
2000
🢒
S10 Pickup - 2WD
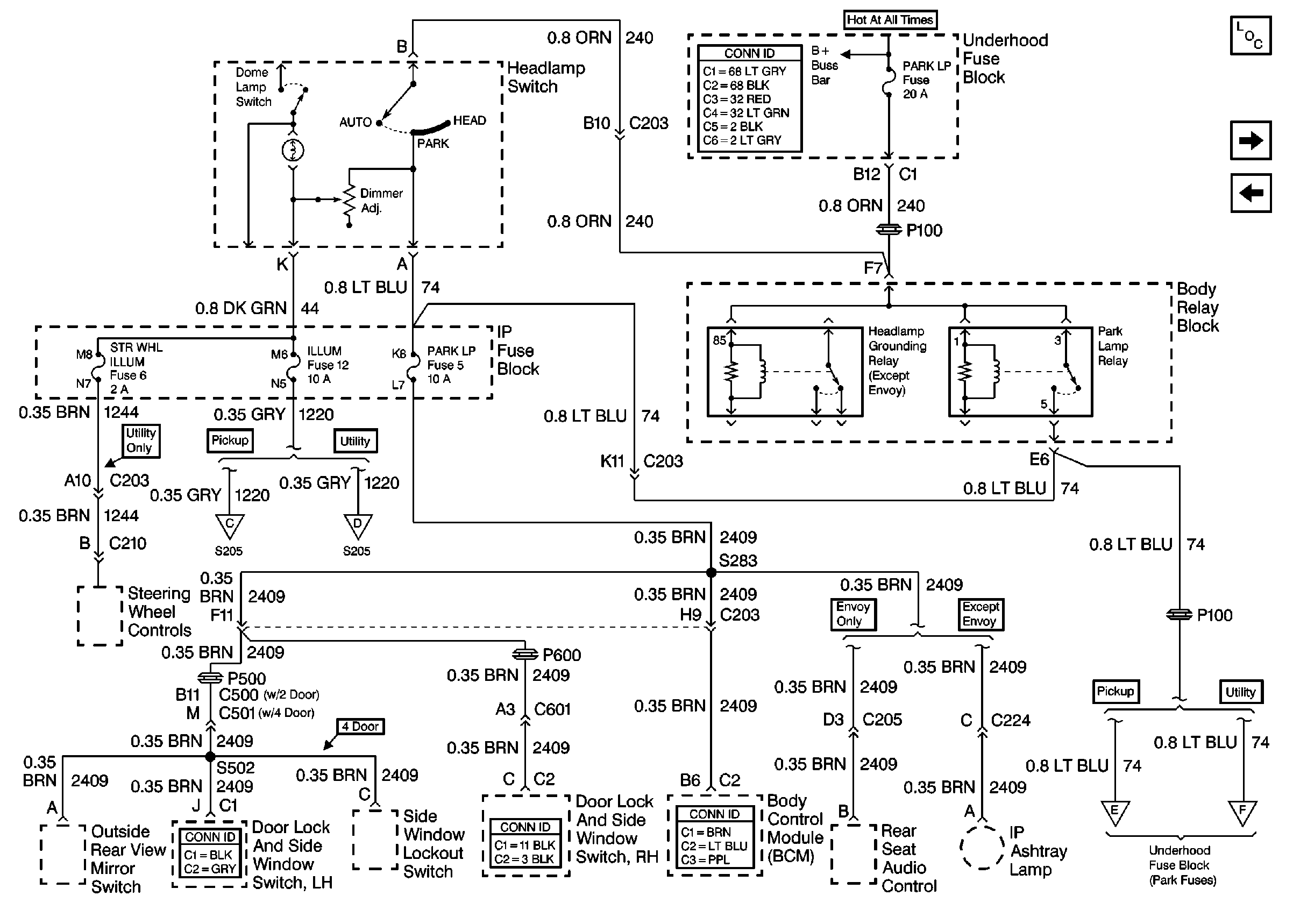
🢒 Cell 10: ILLUM, PARK LP Fuses
Cell 10: ILLUM, PARK LP Fuses
Cell 10: ILLUM, PARK LP Fuses
Cell 10: ILLUM Power (Pickup)
Cell 10: ILLUM Power (Utility)
Power and Grounding Connector End Views
Power and Grounding Components
Cell 10: ILLUM Power (Pickup)
Cell 10: ECM B Fuse and Horn, Rear Defogger Relays
Power Door Systems Connector End Views
Power Door Systems Connector End Views
Body Control System Connector End Views
Cell 10: FR PRK, LR PRK, RR PRK Fuses and Fog Lamp Relay (Pickup)
Cell 10: FR PRK, LR PRK, RR PRK, TRL PRK Fuses and Fog Lamp Relay (Utility)
Cell 10: B+ Buss Bar