GM Service Manual Online
For 1990-2009 cars only
Makes
🢒
Chevrolet
🢒
2000
🢒
S10 Pickup - 2WD
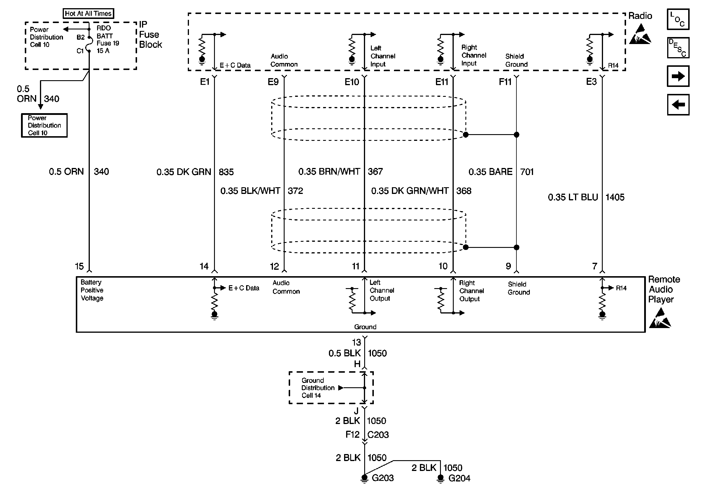
🢒 Cell 150: Remote Audio Player (Bravada)
Cell 150: Remote Audio Player (Bravada)
Cell 150: Remote Audio Player (Bravada)
Entertainment Components
Radio/Audio System Circuit Description
Cell 10: AUX PWR, RDO BATT and HDLP SW Fuses
Cell 10: AUX PWR, RDO BATT and HDLP SW Fuses
Handling ESD Sensitive Parts Notice
Cell 150: Amplifier Power, Ground and Inputs (Bravada)
Cell 150: Radio Power and Ground (Bravada w/ Amplifier)
Handling ESD Sensitive Parts Notice
Cell 14: G203 and G204 (Utility w/ Auto A/C)