GM Service Manual Online
For 1990-2009 cars only
Makes
🢒
Chevrolet
🢒
2000
🢒
S10 Pickup - 2WD
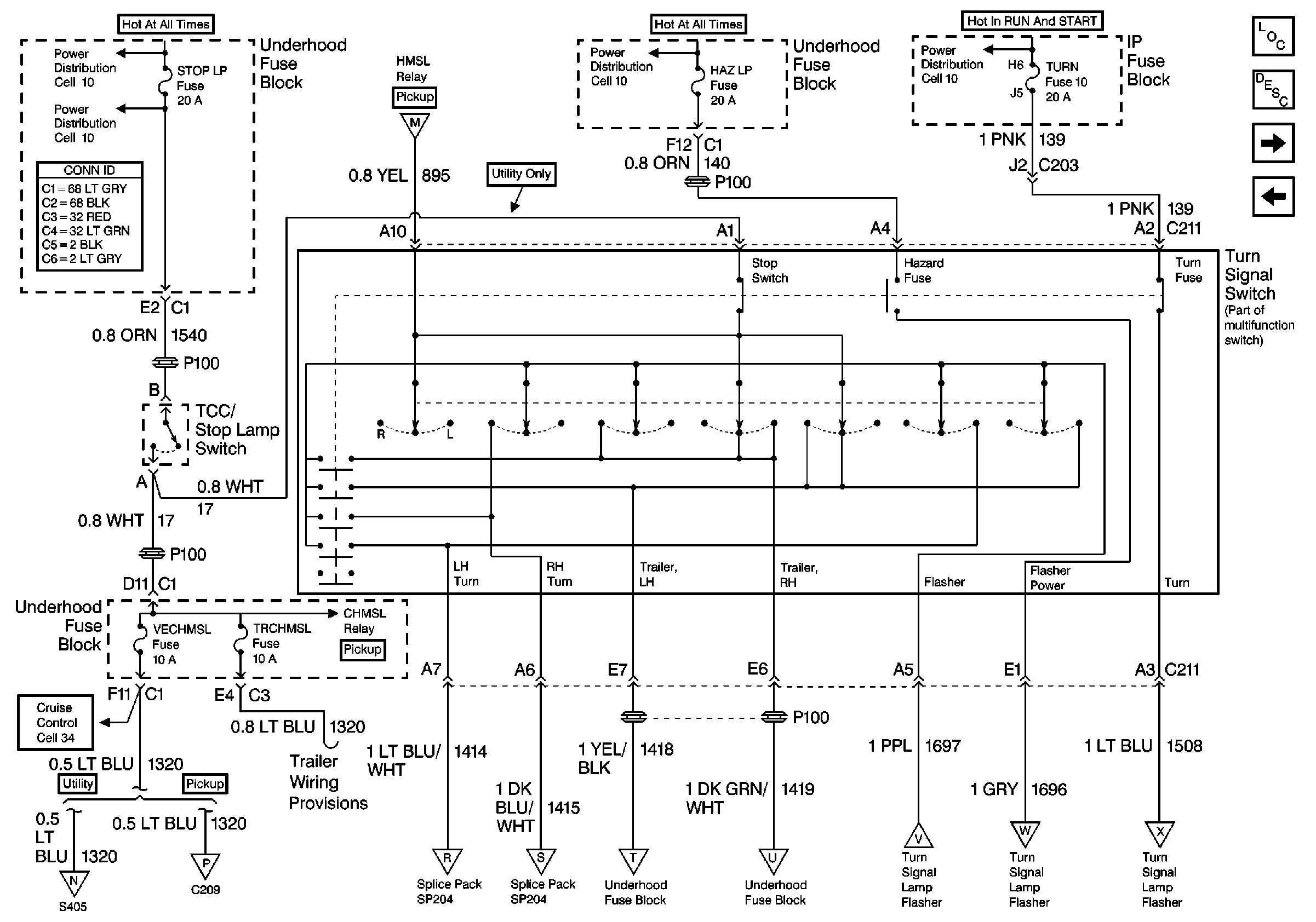
🢒 Cell 110: STOP LP, HAZ LP Fuses and Turn Signal Switch
Cell 110: STOP LP, HAZ LP Fuses and Turn Signal Switch
Cell 110: STOP LP, HAZ LP Fuses and Turn Signal Switch
Cell 10: Stop, Turn and Hazard Buss Bar
Power and Grounding Connector End Views
Cell 110: STOP LP Fuse, High Mount Stop Lamp and High Mount Stop Lamp Relay
Cell 10: Stop, Turn and Hazard Buss Bar
Cell 10: Stop, Turn and Hazard Buss Bar
Lighting Systems Components
Exterior Lights Circuit Description
Cell 110: Front Park and Turn Signal Lamps
Cell 110: PARK LP Fuse and Park Lamp Relay
Cell 34: CRUISE Fuse, Multifunction Switch and Cruise Control Module
Cell 110: STOP LP Fuse, High Mount Stop Lamp and High Mount Stop Lamp Relay
Cell 110: STOP LP Fuse, High Mount Stop Lamp and High Mount Stop Lamp Relay
Cell 110: PARK LP Fuse and Headlamp Switch
Cell 110: PARK LP Fuse and Headlamp Switch
Cell 110: Front Park and Turn Signal Lamps
Cell 110: Front Park and Turn Signal Lamps
Cell 110: Turn Signal Lamp Flasher
Cell 110: Turn Signal Lamp Flasher
Cell 110: Turn Signal Lamp Flasher