GM Service Manual Online
For 1990-2009 cars only
Makes
🢒
Chevrolet
🢒
2000
🢒
S10 Pickup - 2WD
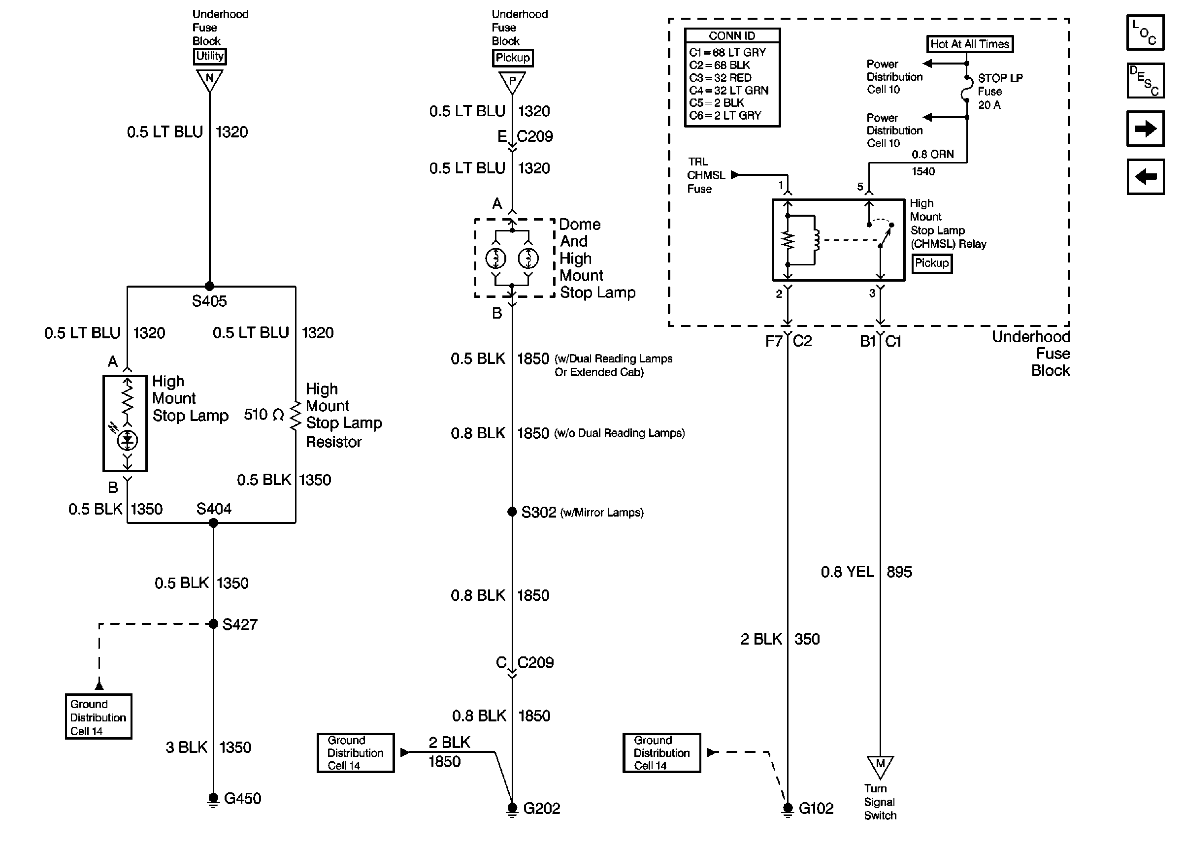
🢒 Cell 110: STOP LP Fuse, High Mount Stop Lamp and High Mount Stop Lamp Relay
Cell 110: STOP LP Fuse, High Mount Stop Lamp and High Mount Stop Lamp Relay
Cell 110: STOP LP Fuse, High Mount Stop Lamp and High Mount Stop Lamp Relay
Cell 110: STOP LP, HAZ LP Fuses and Turn Signal Switch
Cell 110: STOP LP, HAZ LP Fuses and Turn Signal Switch
Power and Grounding Connector End Views
Cell 10: Stop, Turn and Hazard Buss Bar
Lighting Systems Components
Exterior Lights Circuit Description
Cell 110: License and Side Marker Lamps
Cell 110: PARK LP Fuse and Headlamp Switch
Cell 14: G102 (Except Envoy)
Cell 110: STOP LP, HAZ LP Fuses and Turn Signal Switch
Cell 14: G202 (Pickup)
Cell 14: G420 and G450 (Utility w/ Endgate)