GM Service Manual Online
For 1990-2009 cars only
Makes
🢒
Chevrolet
🢒
2000
🢒
S10 Pickup - 2WD
🢒 Cell 91
Cell 91
Cell 91
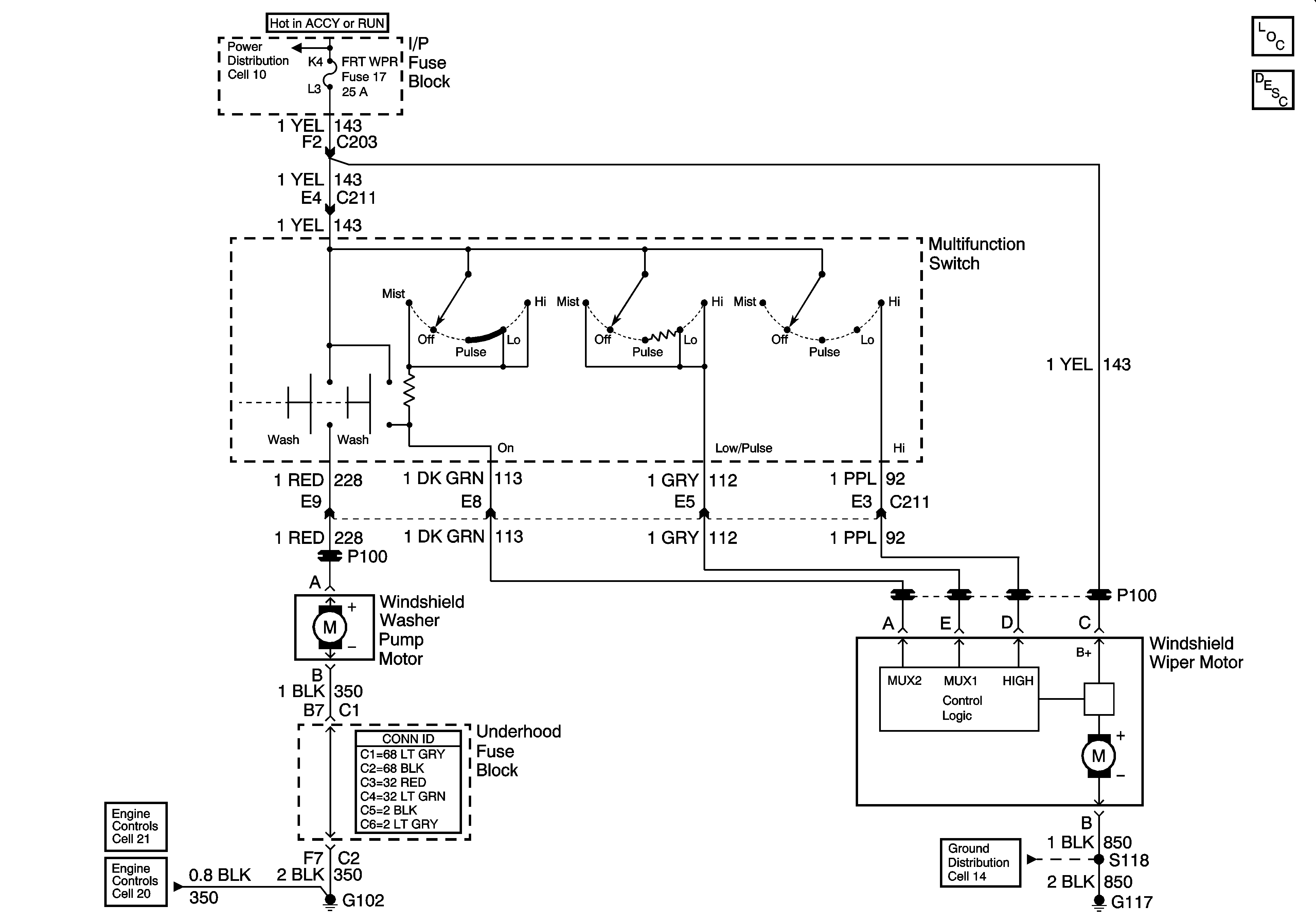
Cell 10: RR WPR, FRT WPR and ABS Fuses
Cell 21: Automatic A/C Compressor Control
Cell 20: A/C Compressor Controls
Power and Grounding Connector End Views
Cell 14: G104 and G117
Wiper/Washer System Components