GM Service Manual Online
For 1990-2009 cars only
Makes
🢒
Chevrolet
🢒
2000
🢒
S10 Pickup - 2WD
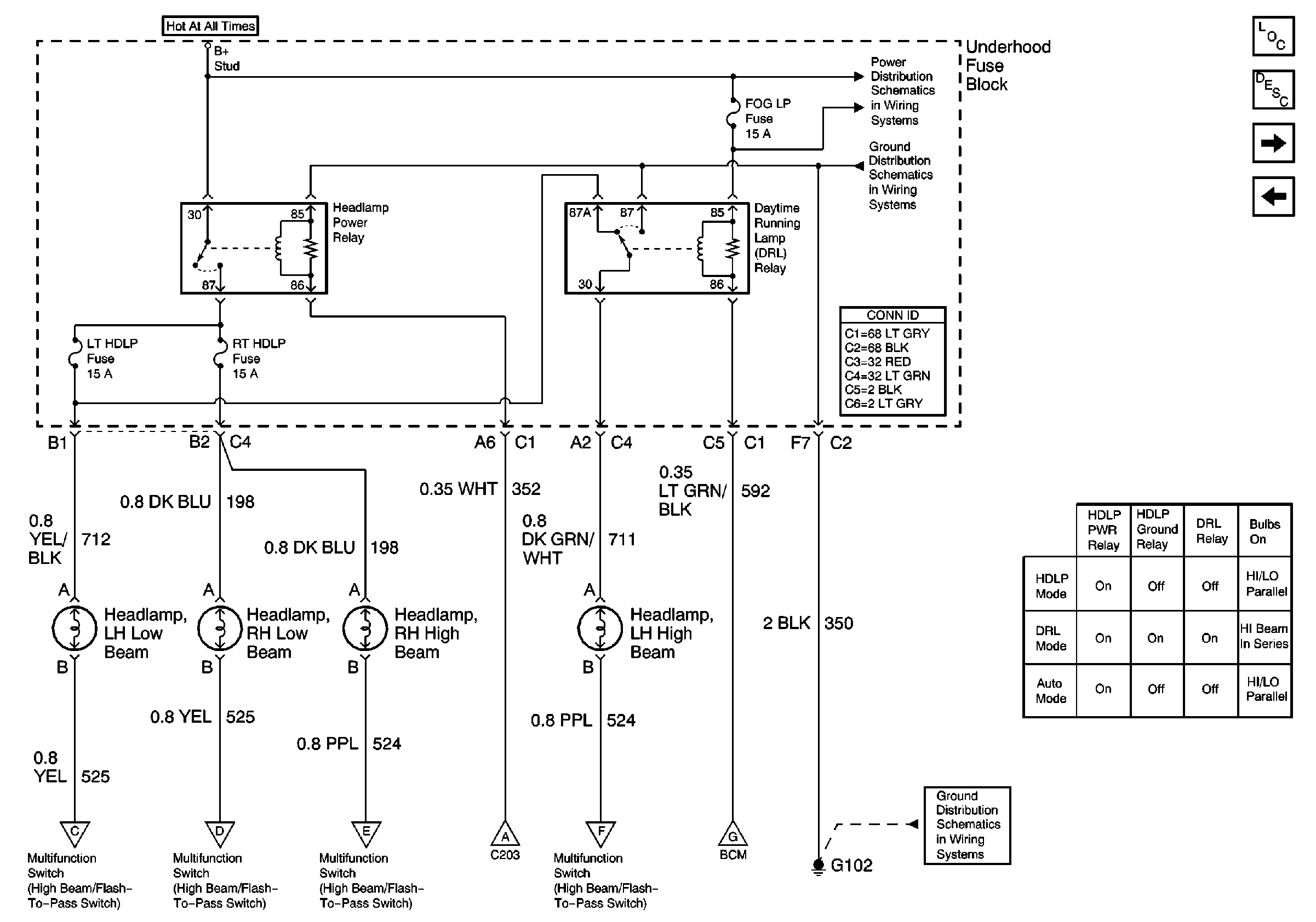
🢒 DRL and Headlamp Power Relays
DRL and Headlamp Power Relays
DRL and Headlamp Power Relays
Lighting Systems Components
Headlights Circuit Description
Headlamp Grounding Relay and BCM
Headlamp Switch, Ambient Light Sensor and BCM
MIR/LKS, FOG LP Fuses and DRL, Headlamp Power Relays
G102 (Except Export)
Power and Grounding Connector End Views
Flash-To-Pass Switch, DRL Relay (ZR2) and BCM
Headlamp Switch, Ambient Light Sensor and BCM
Flash-To-Pass Switch, DRL Relay (ZR2) and BCM
Headlamp Grounding Relay and BCM
G102 (Except Export)