GM Service Manual Online
For 1990-2009 cars only
Makes
🢒
Chevrolet
🢒
2000
🢒
S10 Pickup - 2WD
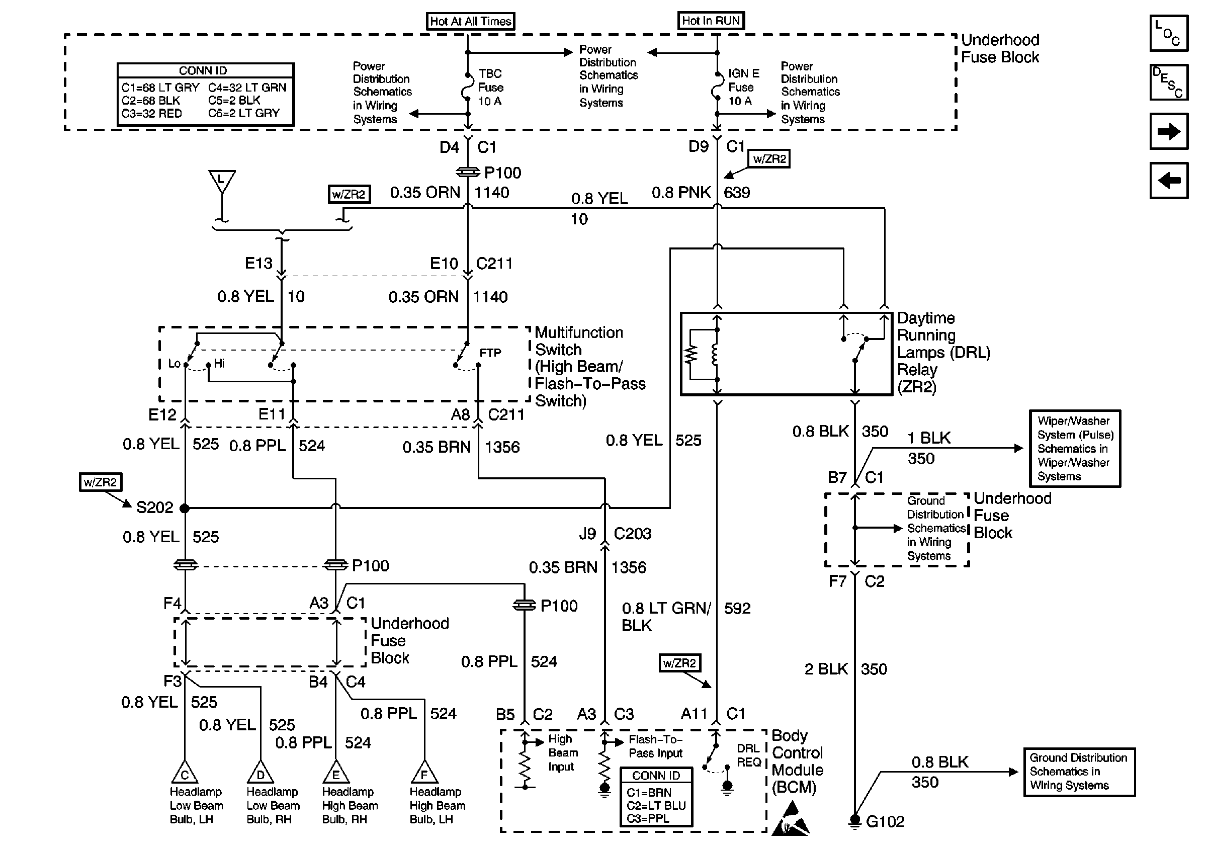
🢒 Flash-To-Pass Switch, DRL Relay (ZR2) and BCM
Flash-To-Pass Switch, DRL Relay (ZR2) and BCM
Flash-To-Pass Switch, DRL Relay (ZR2) and BCM
Lighting Systems Components
Headlights Circuit Description
Headlamp Switch and BCM (Envoy/Diamond Edition 1SK)
Headlamp Grounding Relay and BCM
Power and Grounding Connector End Views
Headlamp Grounding Relay and BCM
STUD 2, ABS, TBC and RR W/W Fuses
Ign RUN and START Bus Bar
IGN E Fuse and A/C Compressor, Rear Defogger, DRL Relays
Wiper/Washer System (Pulse)
G102 (Except Export)
DRL and Headlamp Power Relays
Body Control System Connector End Views
Handling ESD Sensitive Parts Notice
G102 (Except Export)