GM Service Manual Online
For 1990-2009 cars only
Makes
🢒
Chevrolet
🢒
2000
🢒
S10 Pickup - 2WD
🢒 Pickup
Pickup
Pickup
Power and Grounding Connector End Views
Ign RUN and START Bus Bar
B/U LP, TRL B/U and BTSI Fuses (Automatic Transmission)
Lighting Systems Components
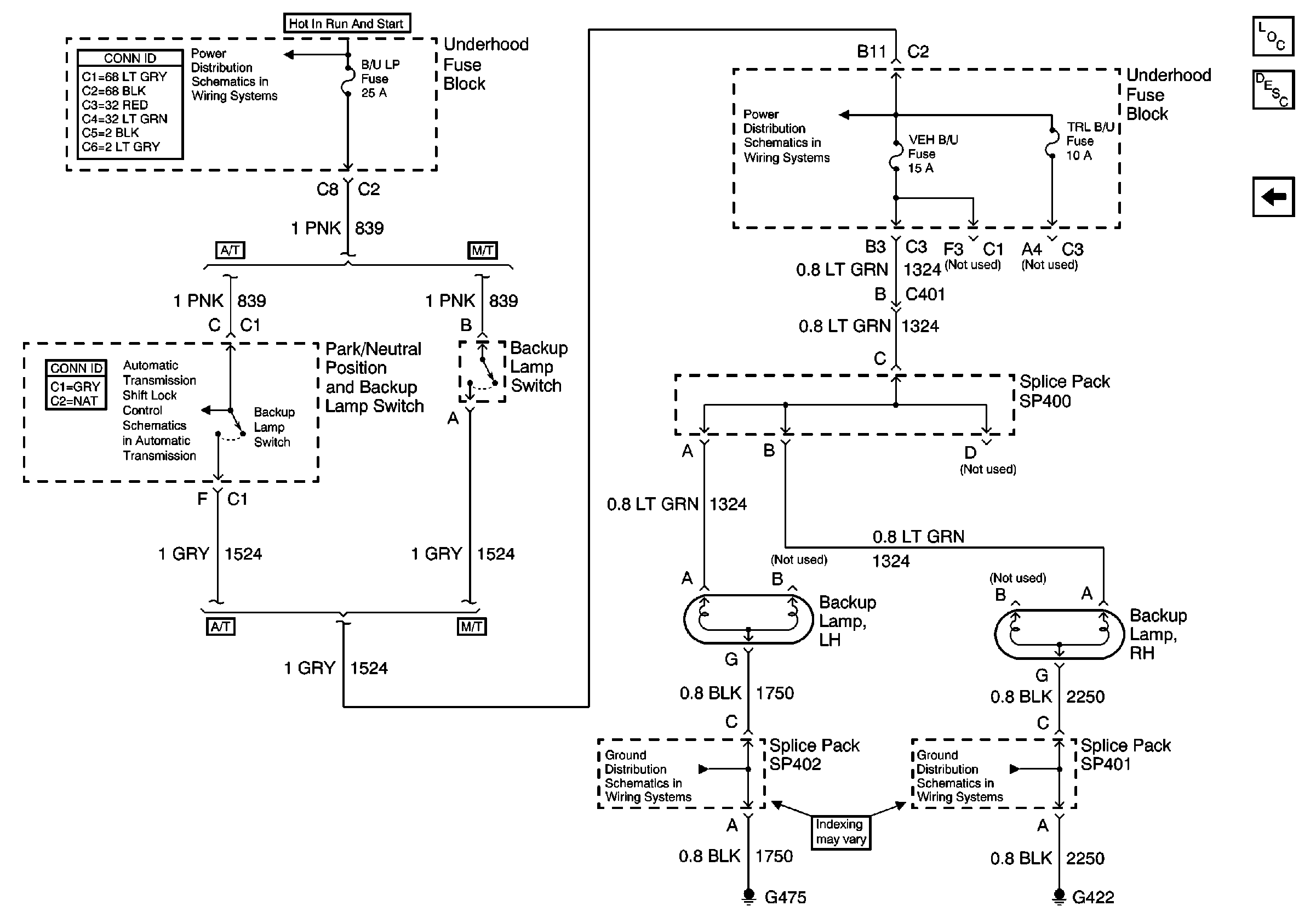
Backup Lamp Circuit Description
Utility
Shift Lock Control Connector End Views
Switch Inputs and PNP Switch (2.2L)
G402, G422 and G475 (Fleetside Pickup)
G402, G422 and G475 (Fleetside Pickup)