GM Service Manual Online
For 1990-2009 cars only
Makes
🢒
Chevrolet
🢒
2000
🢒
S10 Pickup - 2WD
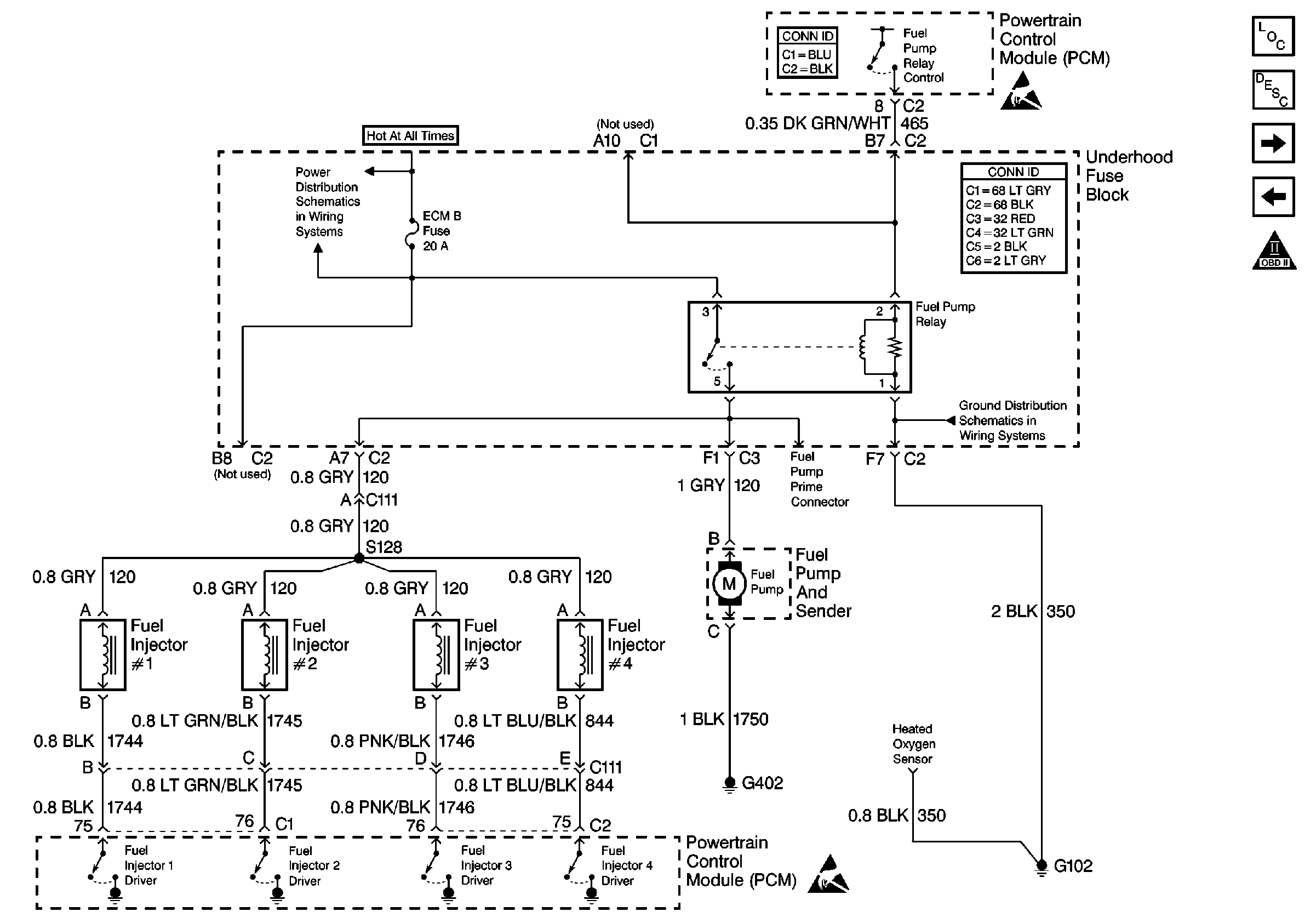
🢒 Fuel Injectors and Fuel Pump
Fuel Injectors and Fuel Pump
Fuel Injectors and Fuel Pump
Engine Controls Components
Fuel Metering System Description
MAP, IAT, TPS and ECT Sensors
Fuel Level and Fuel Tank Pressure Sensors
OBD II Symbol Description Notice
Powertrain Control Module Connector End Views
Handling ESD Sensitive Parts Notice
Power and Grounding Connector End Views
B+ Bus Bar
G102 (Except Export)
Oxygen Sensors
Handling ESD Sensitive Parts Notice