GM Service Manual Online
For 1990-2009 cars only
Makes
🢒
Chevrolet
🢒
2000
🢒
S10 Pickup - 2WD
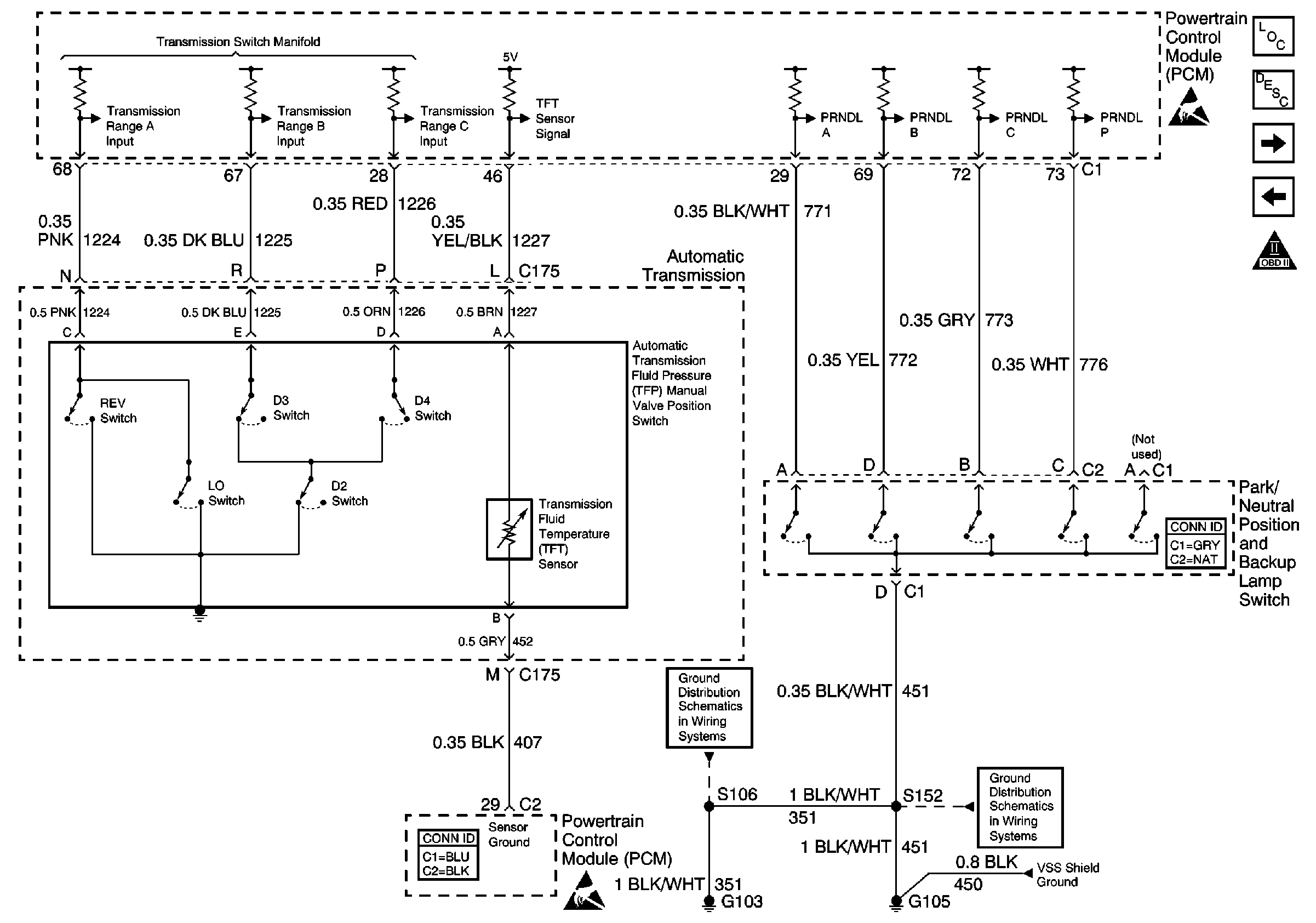
🢒 Automatic Transmission and PNP Switch Inputs
Automatic Transmission and PNP Switch Inputs
Automatic Transmission and PNP Switch Inputs
Engine Controls Components
Powertrain Control Module Description
A/C Compressor Controls
Automatic Transmission Valve Controls
OBD II Symbol Description Notice
Handling ESD Sensitive Parts Notice
Shift Lock Control Connector End Views
Powertrain Control Module Connector End Views
Handling ESD Sensitive Parts Notice
G103 and G105 (2.2L)
G103 and G105 (2.2L)
Vehicle Speed Sensor (VSS) Signal