GM Service Manual Online
For 1990-2009 cars only
Makes
🢒
Chevrolet
🢒
2000
🢒
S10 Pickup - 2WD
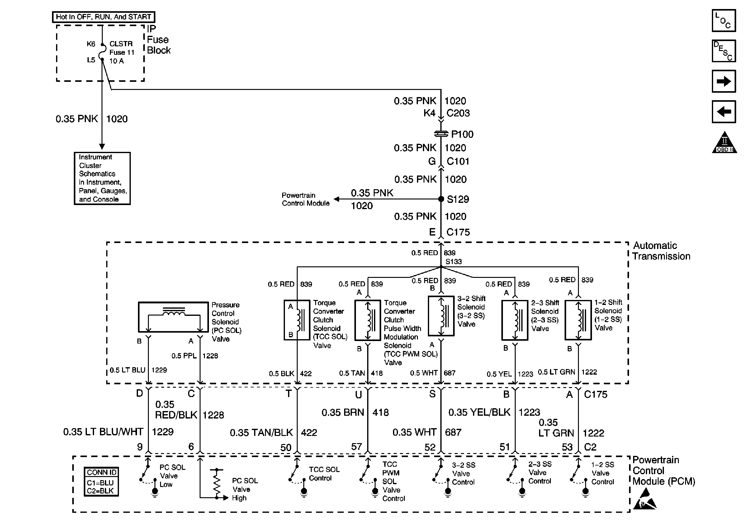
🢒 Automatic Transmission Valve Controls
Automatic Transmission Valve Controls
Automatic Transmission Valve Controls
Engine Controls Components
Powertrain Control Module Description
Automatic Transmission and PNP Switch Inputs
IAC, EVAP Valve Controls, and Brake Switch Input w/ A/T
OBD II Symbol Description Notice
Power
Power and Grounding
Powertrain Control Module Connector End Views
Handling ESD Sensitive Parts Notice