GM Service Manual Online
For 1990-2009 cars only
Makes
🢒
Chevrolet
🢒
2000
🢒
S10 Pickup - 2WD
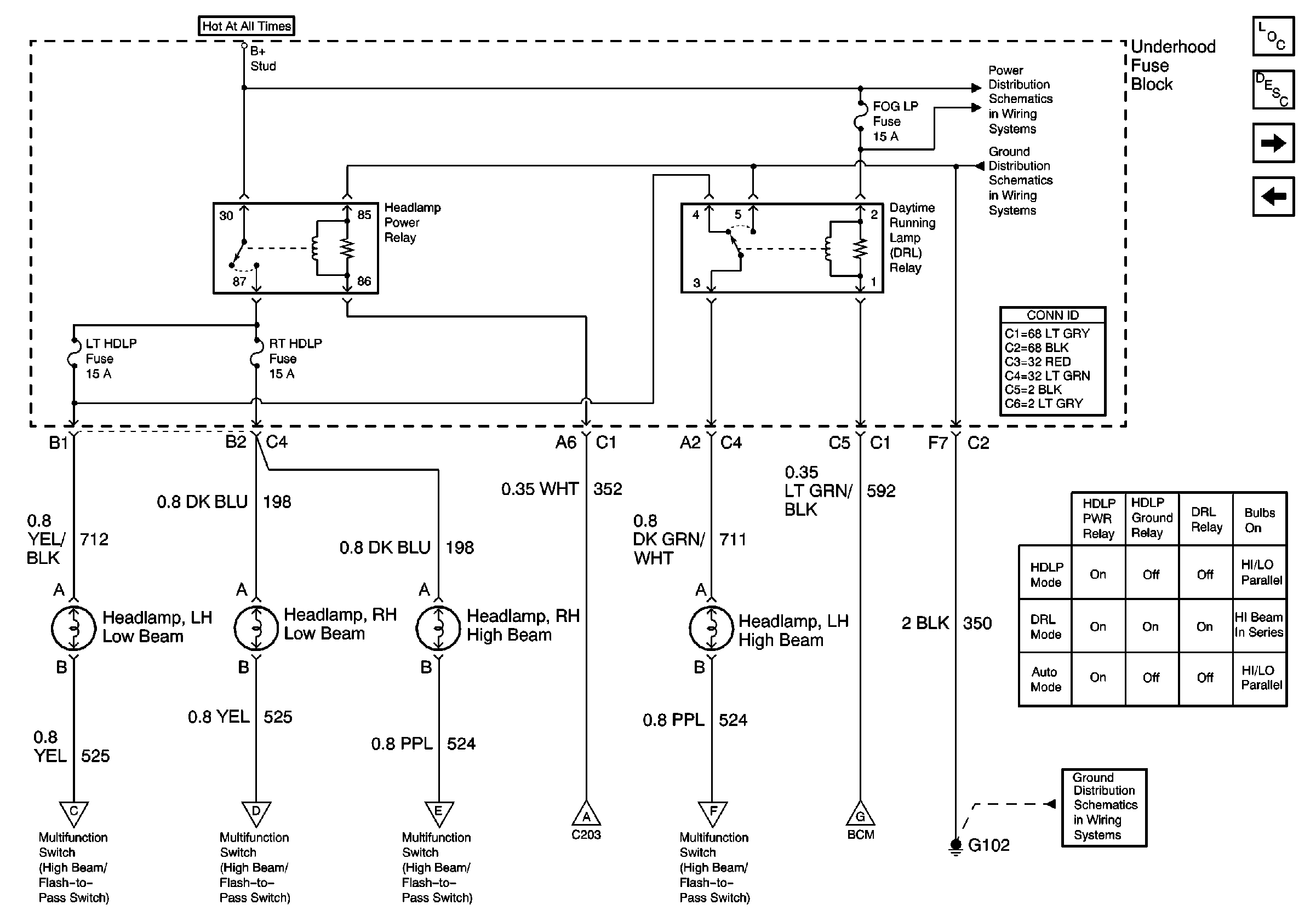
🢒 DRL and Headlamp Power Relays
DRL and Headlamp Power Relays
DRL and Headlamp Power Relays
Lighting Systems Components
Headlights Circuit Description
Headlamp Grounding Relay and Flash-to-Pass Switch
Headlamp Switch, Ambient Light Sensor and BCM
B+ Bus Bar
G102
Power and Grounding Connector End Views
Headlamp Grounding Relay and Flash-to-Pass Switch
Headlamp Grounding Relay and Flash-to-Pass Switch
Headlamp Grounding Relay and Flash-to-Pass Switch
Headlamp Switch, Ambient Light Sensor and BCM
Headlamp Grounding Relay and Flash-to-Pass Switch
Headlamp Grounding Relay and Flash-to-Pass Switch
G102