GM Service Manual Online
For 1990-2009 cars only
Makes
🢒
Chevrolet
🢒
2000
🢒
S10 Pickup - 2WD
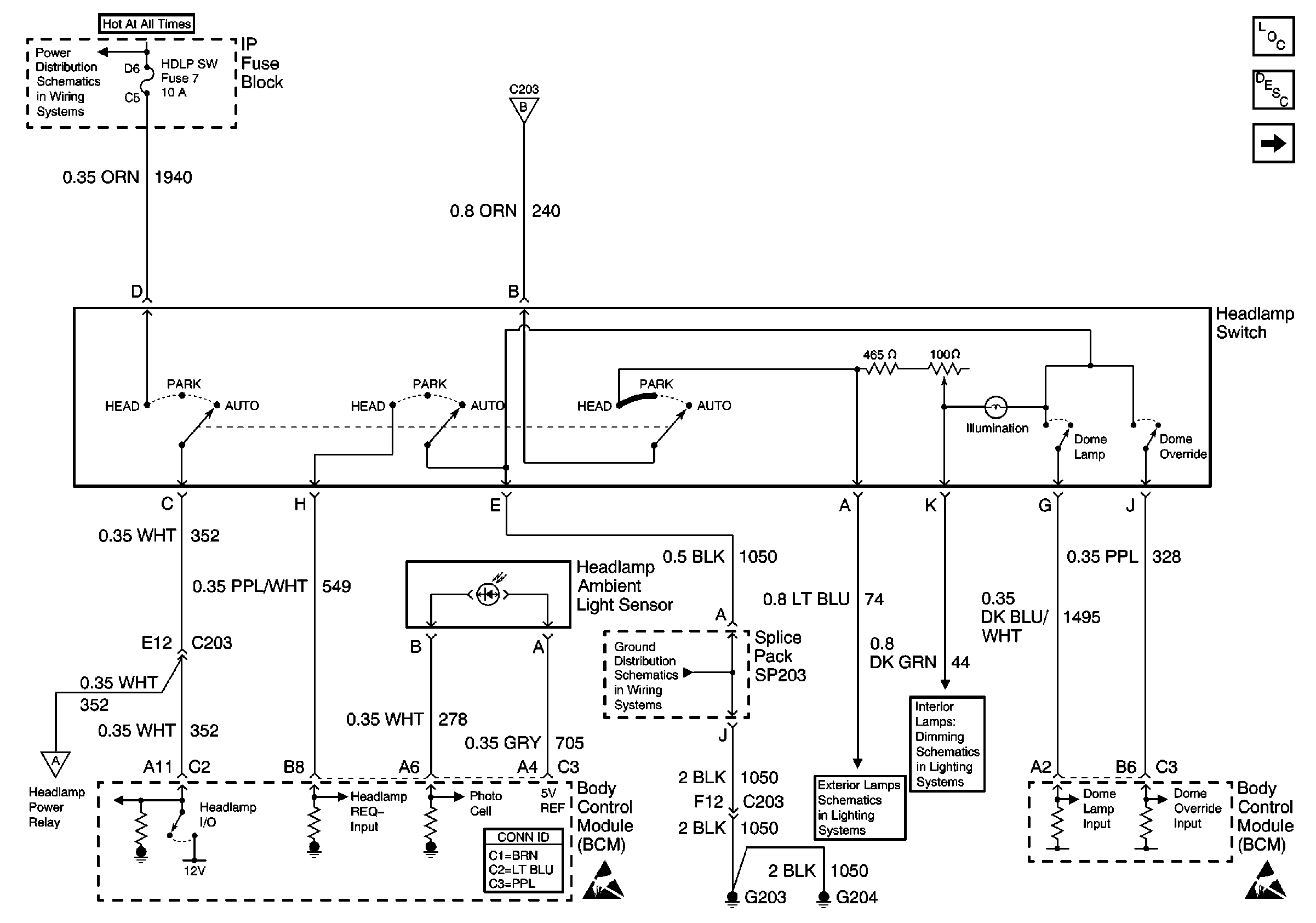
🢒 Headlamp Switch, Ambient Light Sensor and BCM
Headlamp Switch, Ambient Light Sensor and BCM
Headlamp Switch, Ambient Light Sensor and BCM
Lighting Systems Components
Headlights Circuit Description
DRL and Headlamp Power Relays
AUX PWR, RDO BATT, HDLP SW Fuses and Inadvertent Power Lamp Relay
Headlamp Grounding Relay and Flash-to-Pass Switch
DRL and Headlamp Power Relays
Body Control System Connector End Views
Handling ESD Sensitive Parts Notice
G203 and G204
Headlamp Switch and HDLP SW, PARK LP Fuses
Headlamp Switch
Handling ESD Sensitive Parts Notice