GM Service Manual Online
For 1990-2009 cars only
Makes
🢒
Chevrolet
🢒
2000
🢒
S10 Pickup - 2WD
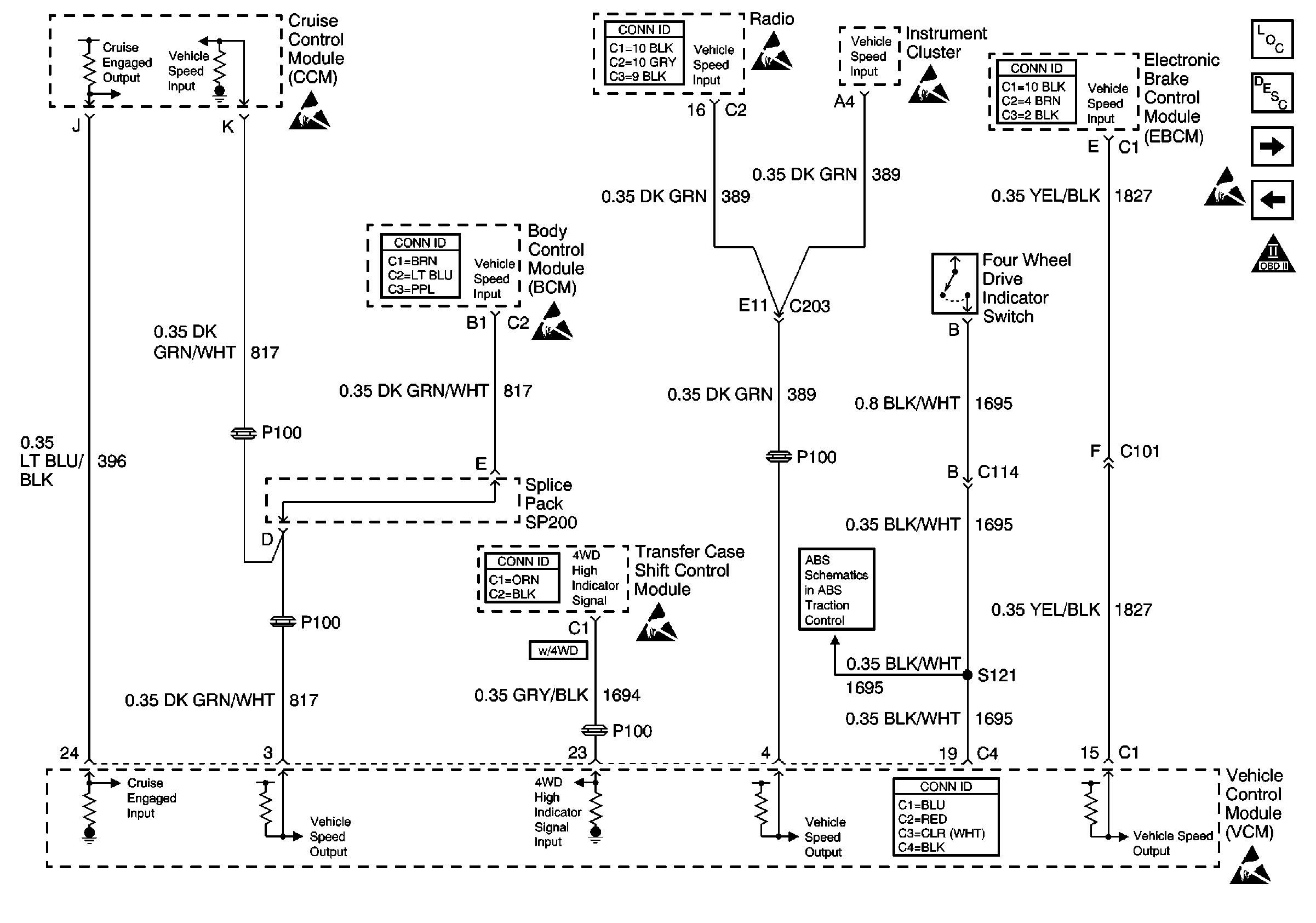
🢒 Vehicle Speed Outputs, 4WD High Indicator Signal, 4WD Indicator Switch
Vehicle Speed Outputs, 4WD High Indicator Signal, 4WD Indicator Switch
Vehicle Speed Outputs, 4WD High Indicator Signal, 4WD Indicator Switch
Engine Controls Components
Vehicle Control Module Description
Automatic Transmission Switch Inputs
Stoplamp Switch Input
OBD II Symbol Description Notice
Handling ESD Sensitive Parts Notice
Entertainment Connector End Views
Handling ESD Sensitive Parts Notice
Handling ESD Sensitive Parts Notice
Antilock Brake System Connector End Views
Handling ESD Sensitive Parts Notice
Body Control System Connector End Views
Handling ESD Sensitive Parts Notice
Transfer Case Control Connector End Views
Handling ESD Sensitive Parts Notice
Class 2 Communication
VCM Connector End Views
Handling ESD Sensitive Parts Notice